Curiosii for ever!: Car repair manuals for everyone.

Power Locks

Diagram 0914-1a:




Connectors 0914-1a:




Routing View 0914-1a:






Diagram 0914-1b:




Connectors 0914-1b:




Routing View 0914-1b:






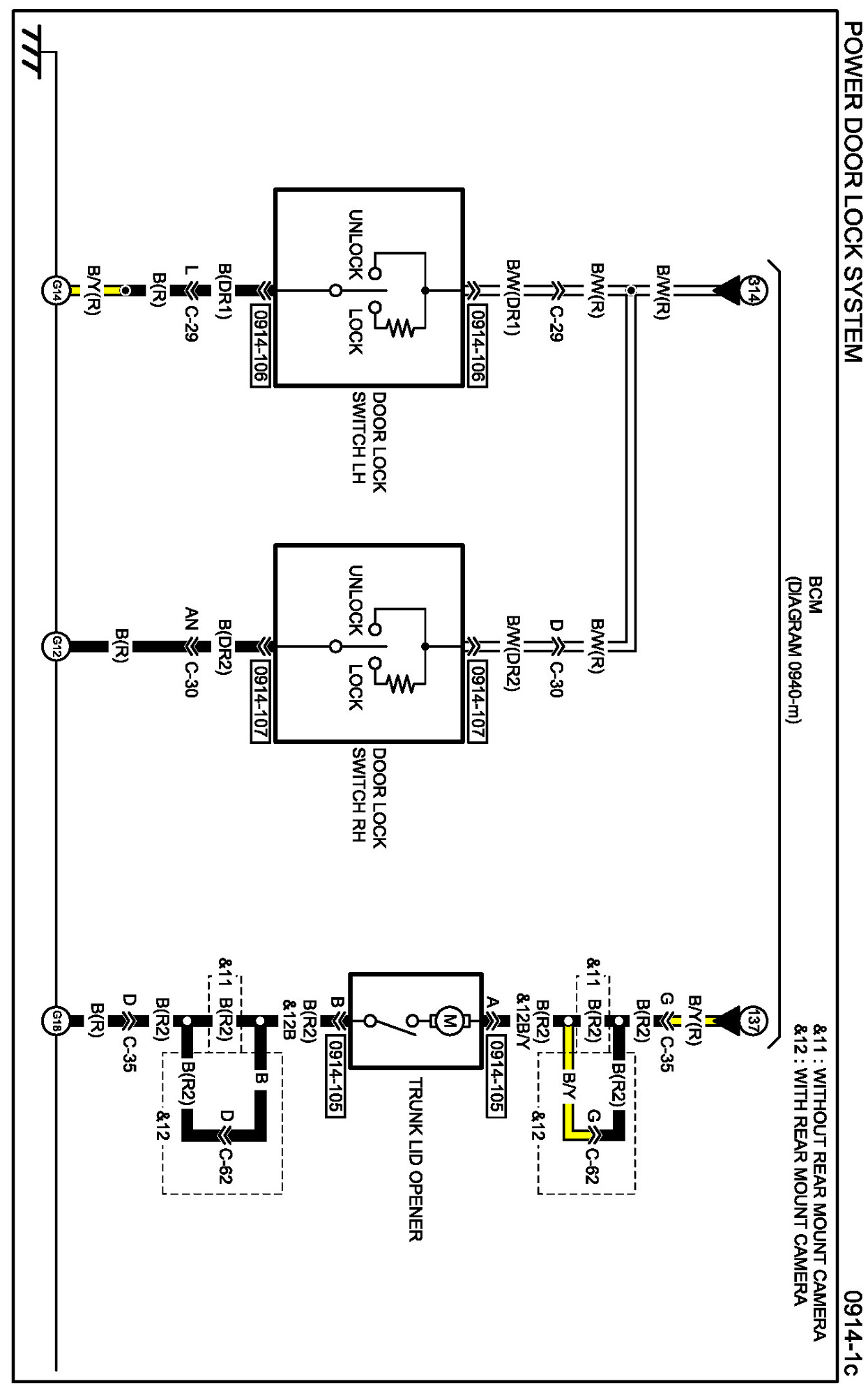
Diagram 0914-1c:




Connectors 0914-1c:




Routing View 0914-1c:






Diagrams: Other diagrams referred to by name within these diagrams can be found at Diagrams by Diagram Name. Diagrams By Diagram Name