Curiosii for ever!
: Car repair manuals for everyone.
Home
>>
Mazda
>>
2012
>>
6 L4-2.5L
>>
Repair and Diagnosis
>>
Body and Frame
>>
Locks
>>
Power Locks
>>
Testing and Inspection
>>
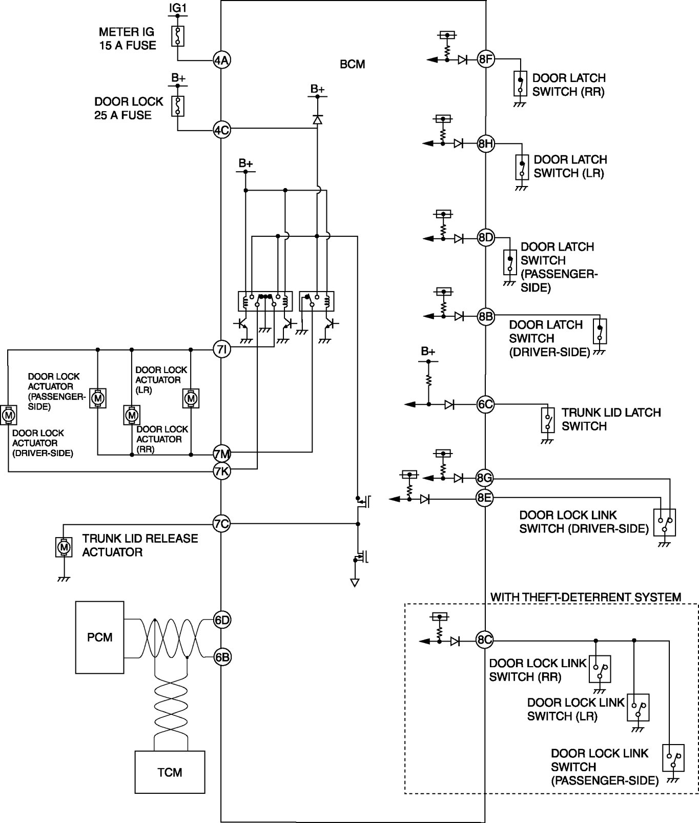
System Wiring Diagram
System Wiring Diagram
AUTO DOOR LOCK SYSTEM WIRING DIAGRAM [AUTO DOOR LOCK SYSTEM]