Curiosii for ever!: Car repair manuals for everyone.

Trunk / Liftgate Switch: Testing and Inspection





TRUNK LID OPENER SWITCH INSPECTION

Vehicle Interior

1. Disconnect the negative battery cable.

2. Remove the lower panel. Lower Panel Removal/Installation

3. Remove the trunk lid opener switch. Service and Repair

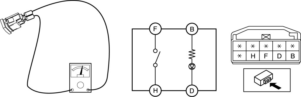
4. Verify the continuity of trunk lid opener switch terminals F and H.











- If not as indicated in the table, replace the trunk lid opener switch.

5. Apply battery voltage to hazard switch terminal B, and connect terminal D to ground.

6. Verify that the LED illuminates.

- If there is any malfunction, replace the trunk lid opener switch.

Vehicle Exterior (With Advanced Keyless Entry And Push Button Start System)

Without rear mount camera

1. Disconnect the negative battery cable.

2. Remove the rear finisher.

3. Remove the trunk lid opener switch. Service and Repair

4. Verify the continuity of trunk lid opener switch terminals A and B.






5. Verify that the continuity is as indicated in the table.






- If not as indicated in the table, replace the trunk lid opener switch.

With rear mount camera

1. Disconnect the negative battery cable.

2. Remove the rear finisher.

3. Remove the trunk lid opener switch. Service and Repair

4. Verify the continuity of trunk lid opener switch terminals C and F.






5. Verify that the continuity is as indicated in the table.






- If not as indicated in the table, replace the trunk lid opener switch.