Curiosii for ever!
: Car repair manuals for everyone.
Home
>>
Mazda
>>
2012
>>
6 L4-2.5L
>>
Repair and Diagnosis
>>
Accessories and Optional Equipment
>>
Antitheft and Alarm Systems
>>
Keyless Entry
>>
Testing and Inspection
>>
Scan Tool Testing and Procedures
>>
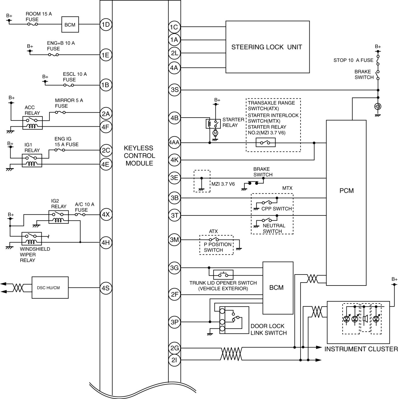
On-Board Diagnostic Wiring Diagram
On-Board Diagnostic Wiring Diagram
ON-BOARD DIAGNOSTIC WIRING DIAGRAM [ADVANCED
KEYLESS ENTRY
AND PUSH BUTTON START SYSTEM]