Curiosii for ever!
: Car repair manuals for everyone.
Home
>>
Mazda
>>
2012
>>
5 L4-2.5L
>>
Repair and Diagnosis
>>
Powertrain Management
>>
Emission Control Systems
>>
Diagrams
>>
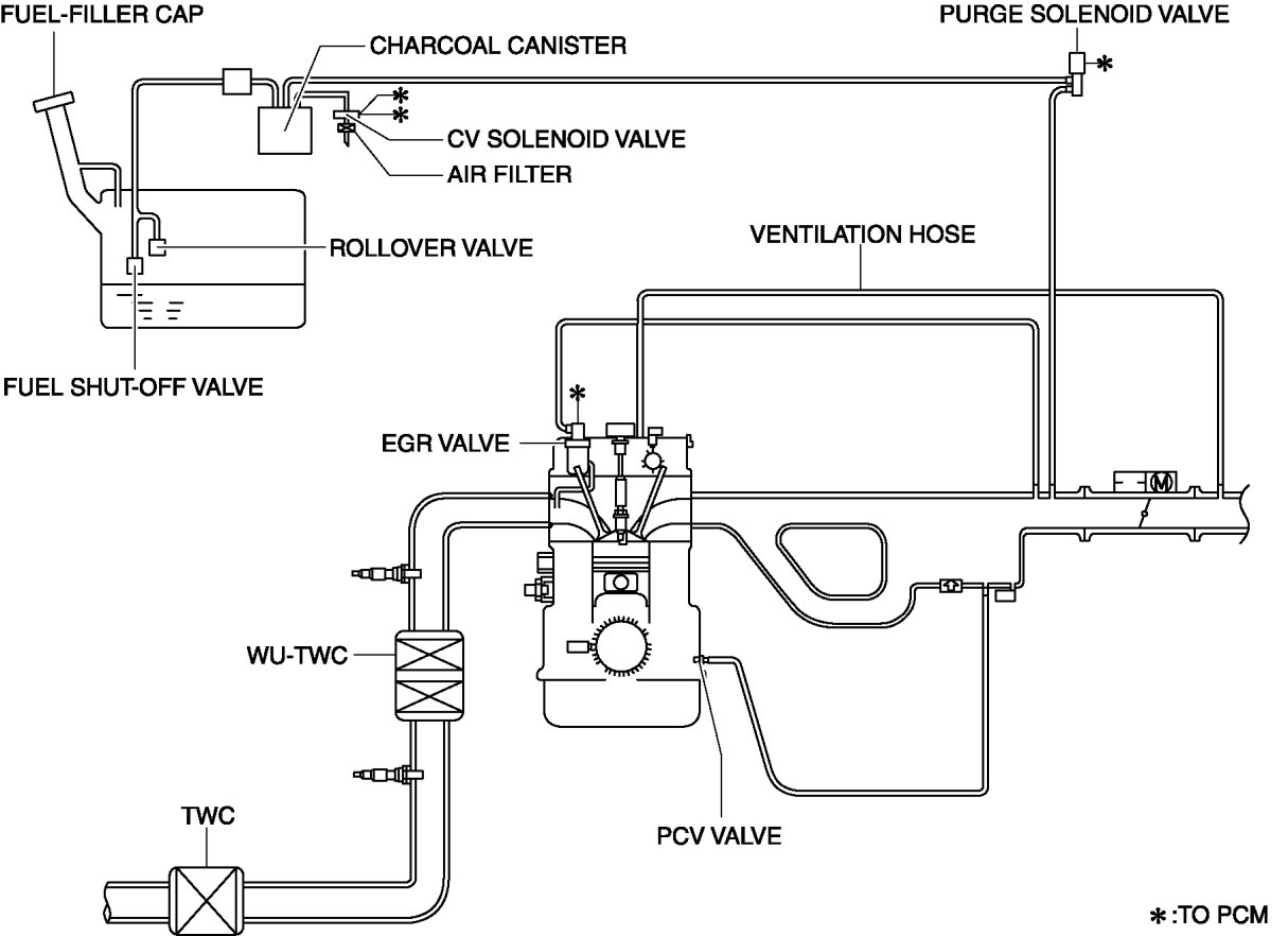
Emission System Diagram
Emission System Diagram
EMISSION SYSTEM DIAGRAM [MZR 2.5]