Curiosii for ever!: Car repair manuals for everyone.

Relay Box: Testing and Inspection





RELAY INSPECTION

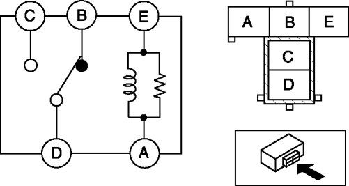
Relay type





Type A

1. Remove the relay.

2. Verify that the continuity between the relay terminals.






a. Verify that the continuity between terminals E and A.






- If it can be verified, go to the next procedure.

- If it cannot be verified, replace the relay.

b. Apply battery positive voltage to terminal E, and connect terminal A to ground. Verify that the continuity between terminals C and D.






- If it cannot be verified, replace the relay.

Type B

1. Remove the relay.

2. Verify that the continuity between the relay terminals.






a. Verify that the continuity between terminals E and A.






- If it can be verified, go to the next procedure.

- If it cannot be verified, replace the relay.

b. Apply battery positive voltage to terminal E, and connect terminal A to ground. Verify that the continuity between terminals C and D.






- If it cannot be verified, replace the relay.

Type C

1. Remove the relay.

2. Verify that the continuity between the relay terminals.






a. Verify that the continuity between terminals E and A.






- If it can be verified, go to the next procedure.

- If it cannot be verified, replace the relay.

b. Verify that the continuity between terminals B and D.






- If it can be verified, go to the next procedure.

- If it cannot be verified, replace the relay.

c. Apply battery positive voltage to terminal E, and connect terminal A to ground. Verify that the continuity between terminals C and D.






- If it cannot be verified, replace the relay.

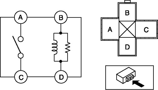
Type D

1. Remove the relay.

2. Verify that the continuity between the relay terminals.






a. Verify that the continuity between terminals B and D.






- If it can be verified, go to the next procedure.

- If it cannot be verified, replace the relay.

b. Apply battery positive voltage to terminal B, and connect terminal D to ground. Verify that the continuity between terminals A and C.






- If it cannot be verified, replace the relay.