Curiosii for ever!
: Car repair manuals for everyone.
Home
>>
Mazda
>>
2012
>>
5 L4-2.5L
>>
Repair and Diagnosis
>>
Heating and Air Conditioning
>>
Testing and Inspection
>>
Scan Tool Testing and Procedures
>>
Full-Auto Air Conditioner
Full-Auto Air Conditioner
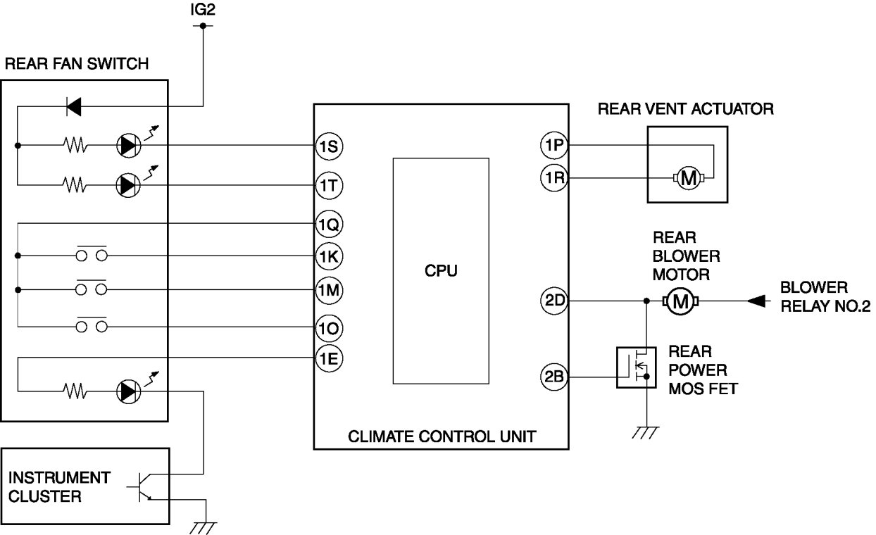
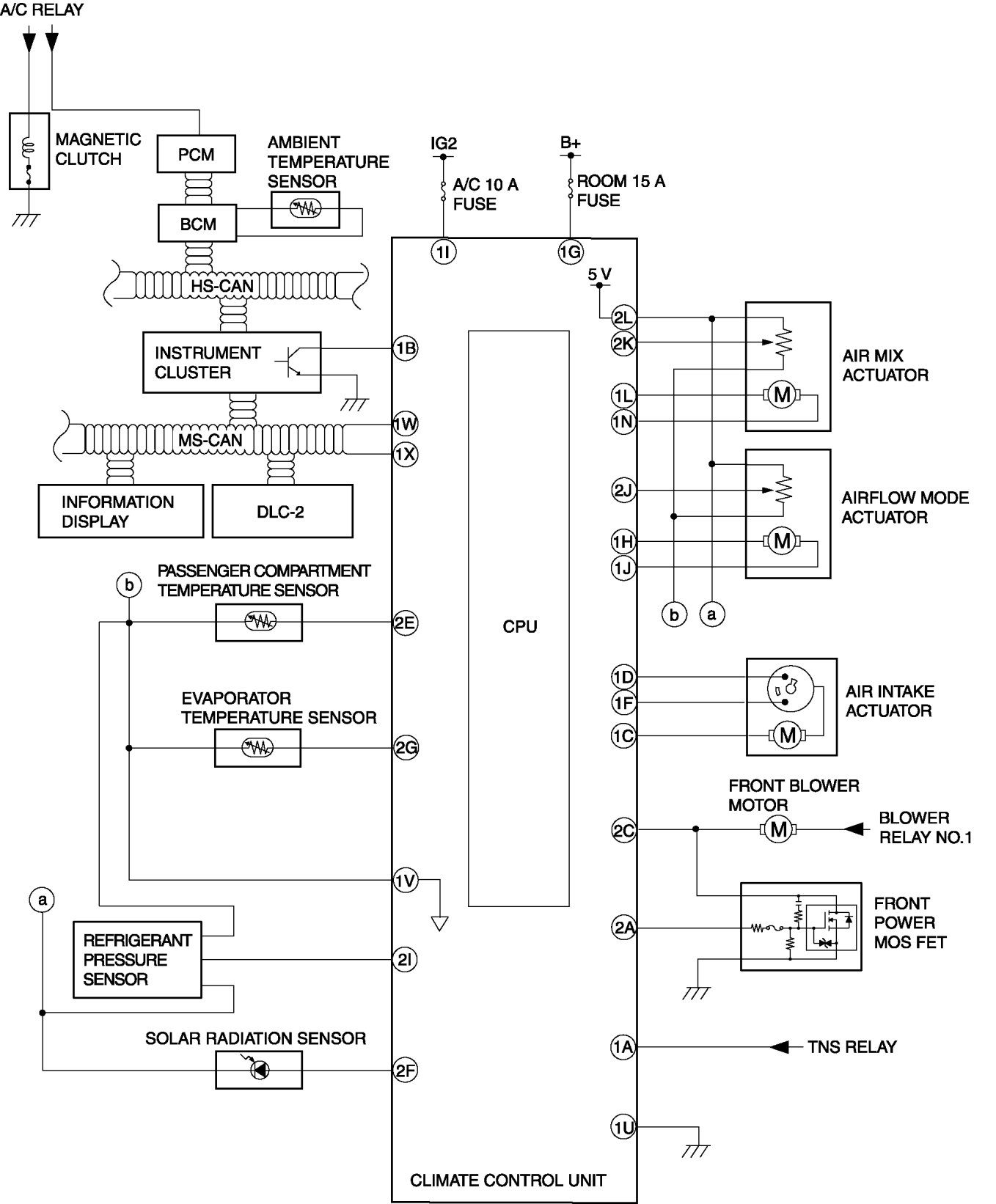
HVAC SYSTEM WIRING DIAGRAM [FULL-AUTO AIR CONDITIONER]
Front
Rear