Curiosii for ever!: Car repair manuals for everyone.

Wiper and Washer Systems

Diagram 0919-2a:




Connectors 0919-2a:




Routing View 0919-2a:






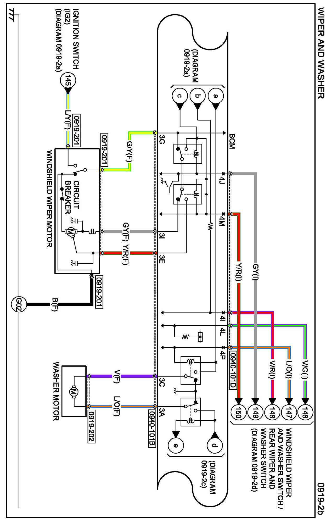
Diagram 0919-2b:




Connectors 0919-2b:




Routing View 0919-2b:






Diagram 0919-2c:




Connectors 0919-2c:




Routing View 0919-2c:






Diagram 0919-2d:




Connectors 0919-2d:




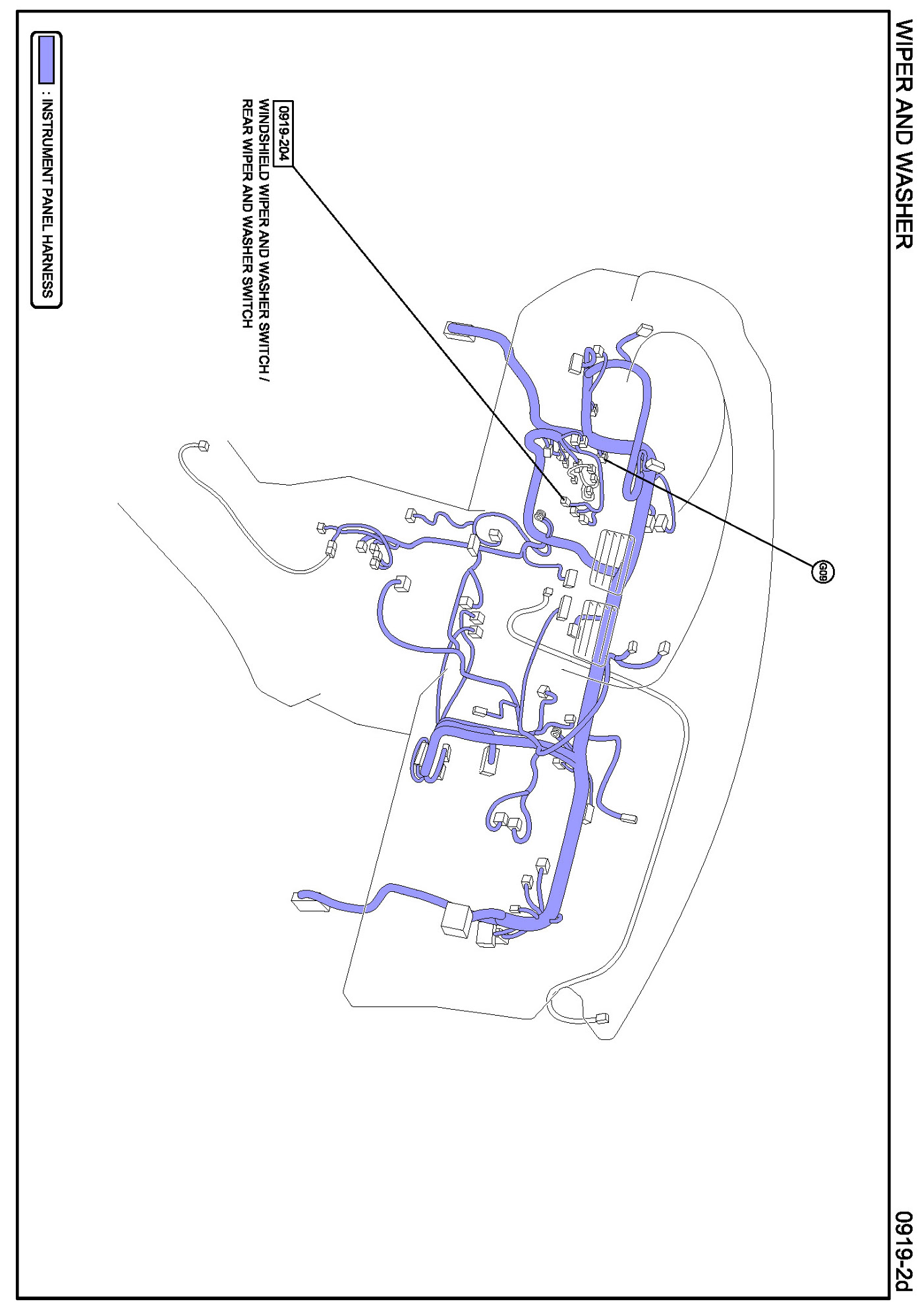
Routing View 0919-2d:






Diagrams: Other diagrams referred to by name within these diagrams can be found at Diagrams by Diagram Name. Diagrams By Diagram Name