Curiosii for ever!: Car repair manuals for everyone.

Seat Temperature Switch: Testing and Inspection





SEAT WARMER SWITCH INSPECTION

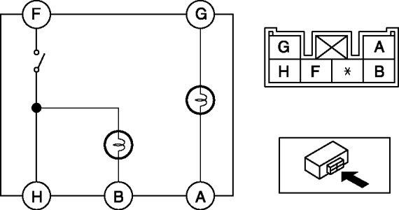
Left Side

1. Verify that the continuity between the seat warmer switch terminals is as indicated in the table.






- If not as indicated in the table, replace the seat warmer switch. Service and Repair






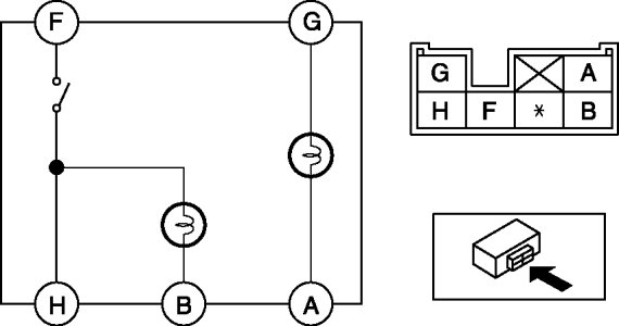
Right Side

1. Verify that the continuity between the seat warmer switch terminals is as indicated in the table.






- If not as indicated in the table, replace the seat warmer switch. Service and Repair