Curiosii for ever!: Car repair manuals for everyone.

Determining Short Between Circuits Location





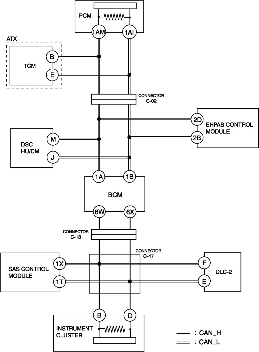
DETERMINING SHORT BETWEEN CIRCUITS LOCATION (HS-CAN) [MULTIPLEX COMMUNICATION SYSTEM]

CAUTION:
- First perform the following malfunction diagnosis according to the Initial Inspection and Diagnostic Overview troubleshooting procedure.

System wiring diagram





Determination procedure

CAUTION:
- When disconnecting the connector, verify that there is no looseness, damage, deformation, corrosion, or poor connection of the connector terminals.
- When inspecting the DLC-2, touch it with a paper clip or similar thin pin without directly inserting a tester into the terminals.