Curiosii for ever!
: Car repair manuals for everyone.
Home
>>
Mazda
>>
2012
>>
3 L4-2.5L
>>
Repair and Diagnosis
>>
Restraints and Safety Systems
>>
Air Bag Systems
>>
Testing and Inspection
>>
Symptom Related Diagnostic Procedures
>>
System Wiring Diagram
>>
Standard Deployment Control System
Standard Deployment Control System
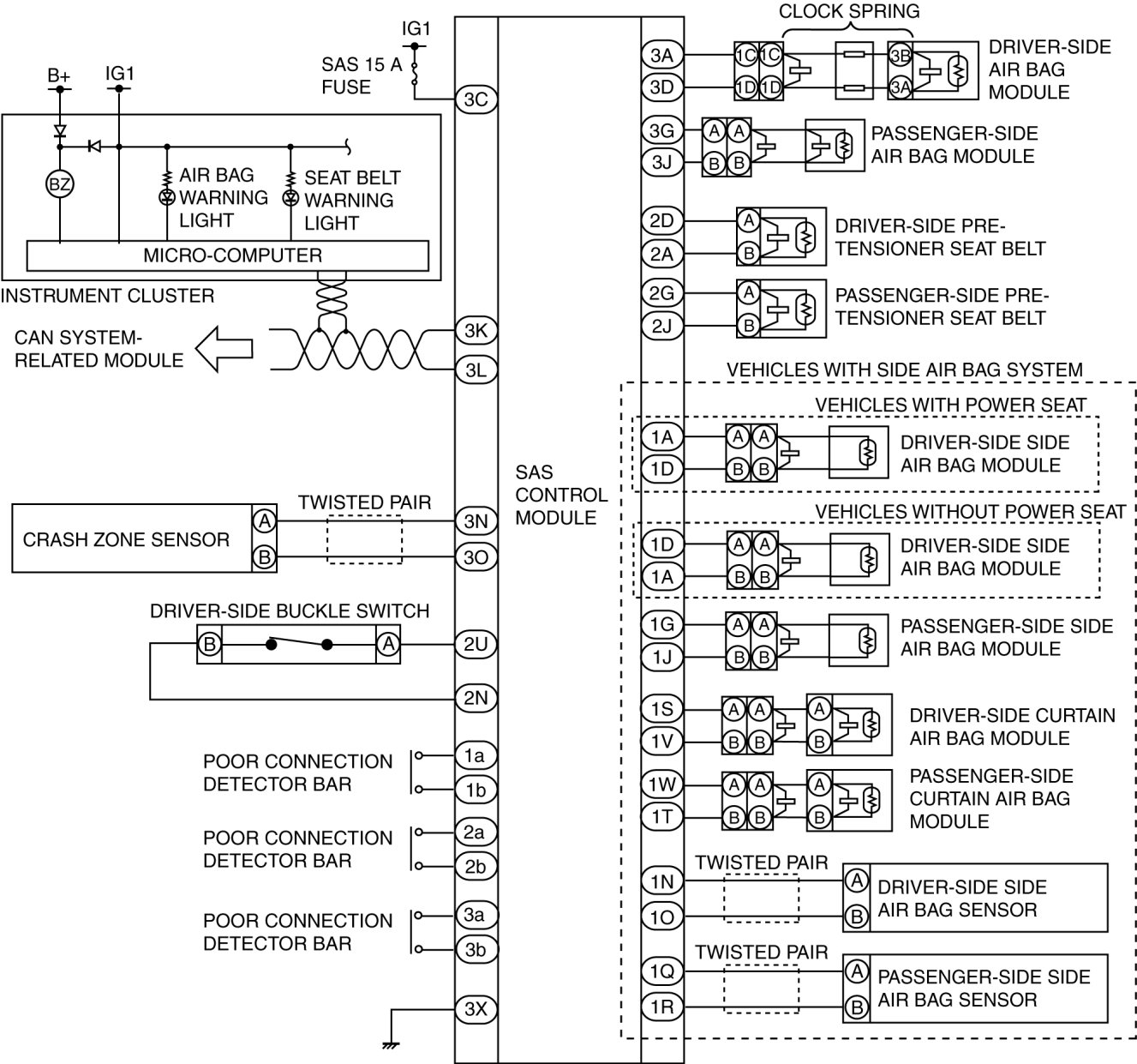
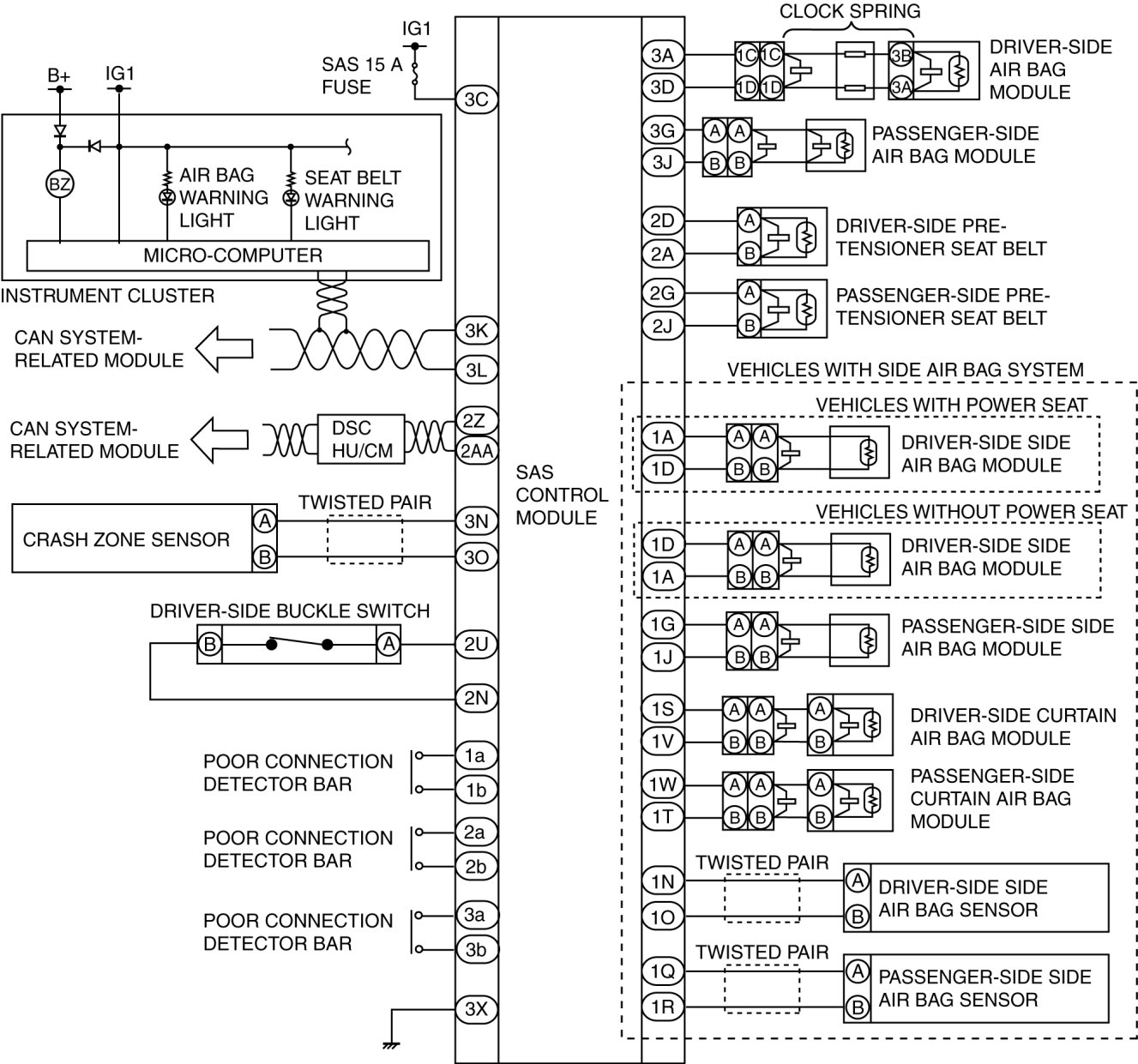
AIR BAG SYSTEM WIRING DIAGRAM (SYMPTOM TROUBLESHOOTING) [STANDARD DEPLOYMENT CONTROL SYSTEM]
Vehicles With DSC
Vehicles Without DSC