Curiosii for ever!
: Car repair manuals for everyone.
Home
>>
Mazda
>>
2012
>>
3 L4-2.5L
>>
Repair and Diagnosis
>>
Maintenance
>>
Wheels and Tires
>>
Tire Monitoring System
>>
Testing and Inspection
>>
Scan Tool Testing and Procedures
>>
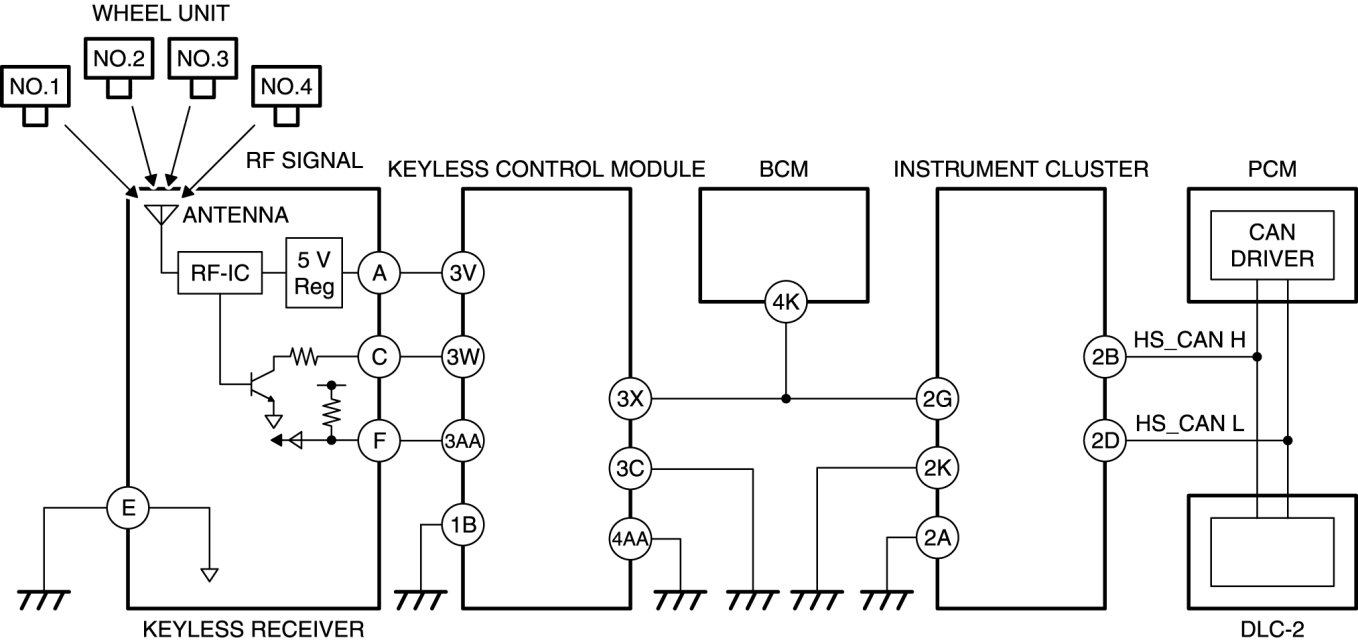
Tire Pressure Monitoring System (TPMS) Wiring Diagram
Tire Pressure Monitoring System (TPMS) Wiring Diagram
TIRE PRESSURE MONITORING SYSTEM (TPMS) WIRING DIAGRAM
Vehicles Without Advanced Keyless Entry And Push Button Start System
Vehicles With Advanced Keyless Entry And Push Button Start System