Curiosii for ever!: Car repair manuals for everyone.

Turn Signals

Diagram 0918-5a:




Connectors 0918-5a:




Routing View 0918-5a:






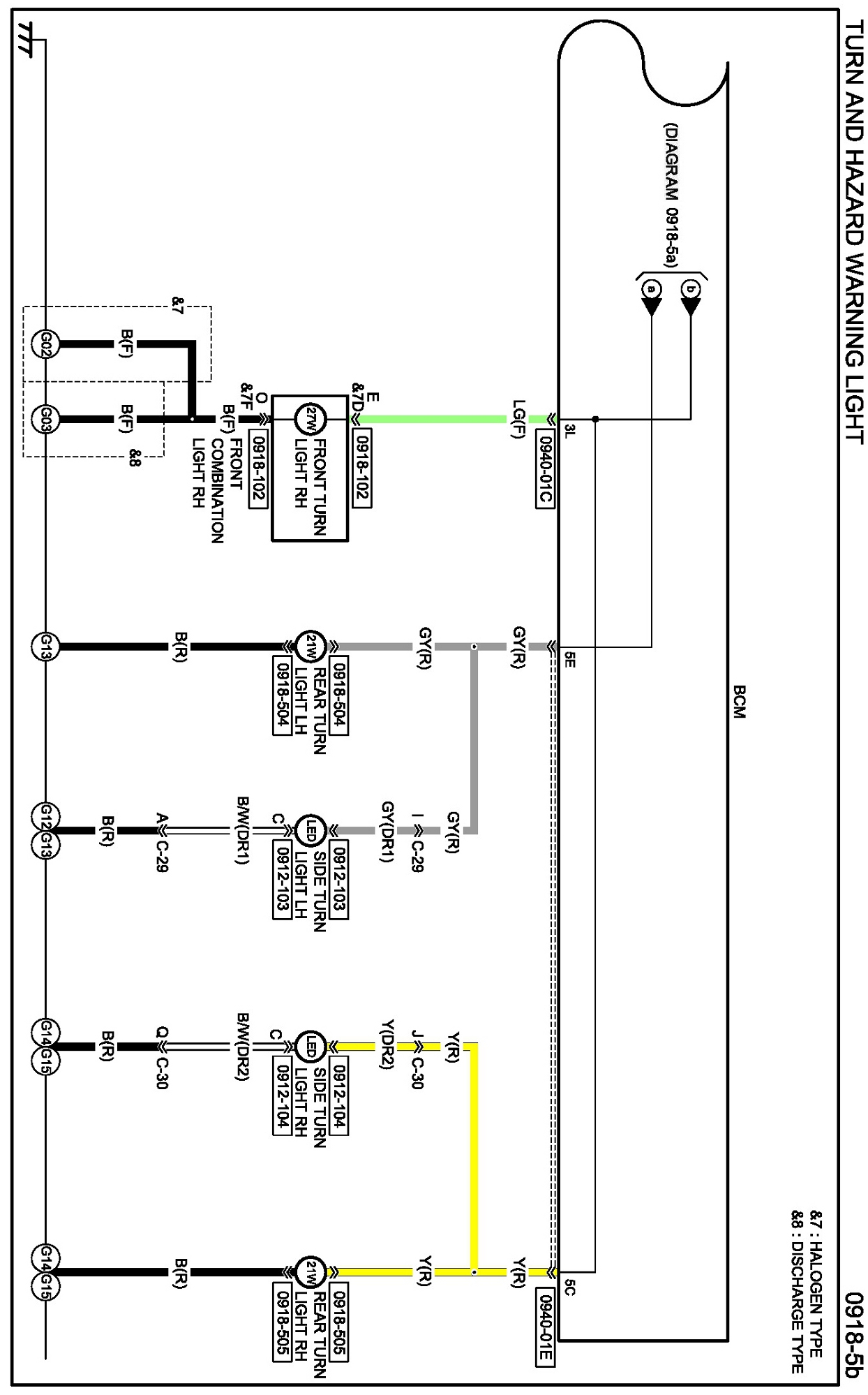
Diagram 0918-5b:




Connectors 0918-5b:




Routing View 0918-5b:






Diagrams: Other diagrams referred to by name within these diagrams can be found at Diagrams by Diagram Name. Diagrams By Diagram Name