Curiosii for ever!: Car repair manuals for everyone.

Seat Temperature Element

Diagram 0913-1a:




Connectors 0913-1a:




Routing View 0913-1a:






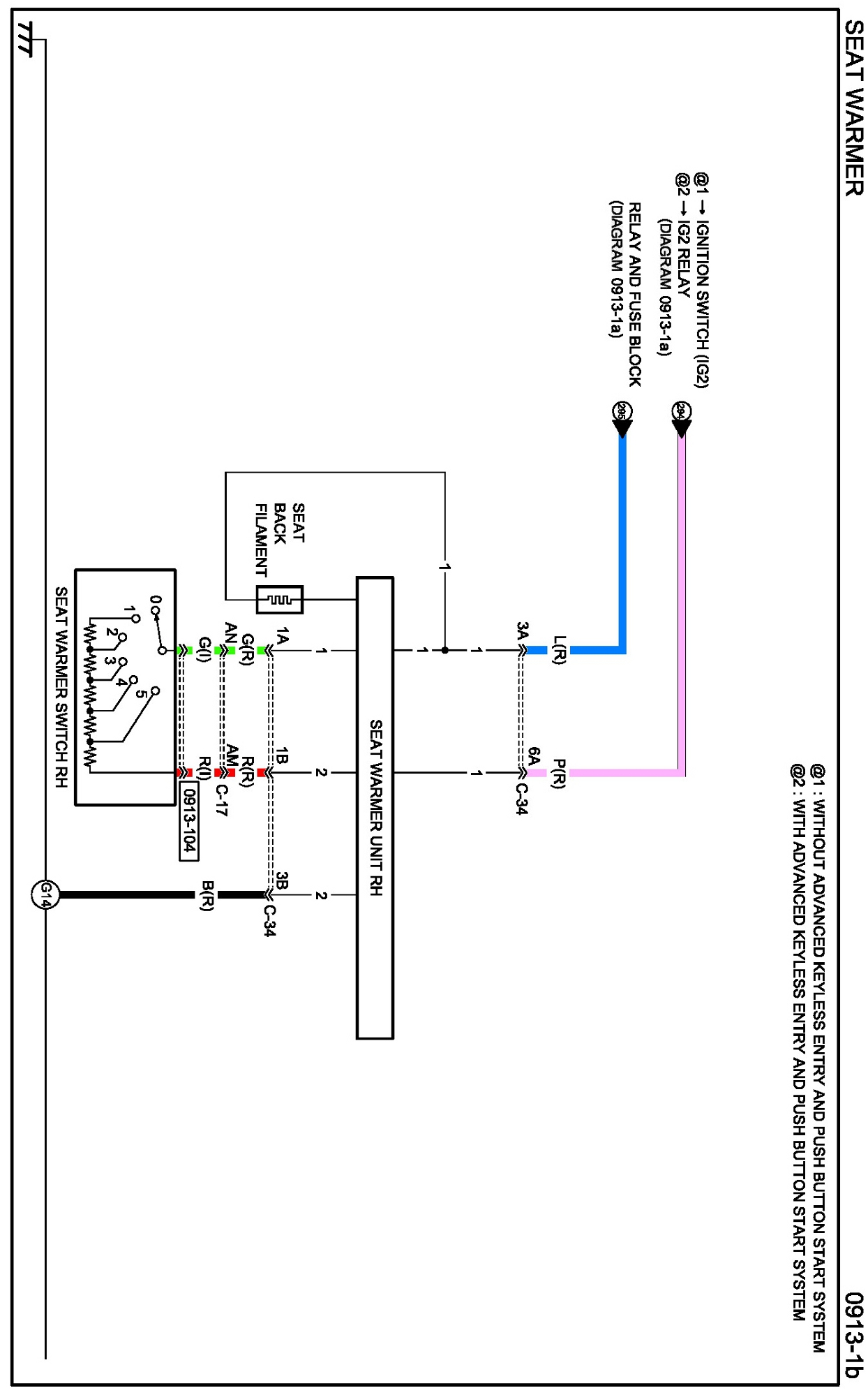
Diagram 0913-1b:




Connectors 0913-1b:




Routing View 0913-1b:






Diagrams: Other diagrams referred to by name within these diagrams can be found at Diagrams by Diagram Name. Diagrams By Diagram Name