Curiosii for ever!: Car repair manuals for everyone.

Headlight

Diagram 0918-1a:




Connectors 0918-1a:




Routing View 0918-1a:






Diagram 0918-1b:




Connectors 0918-1b:




Routing View 0918-1b:






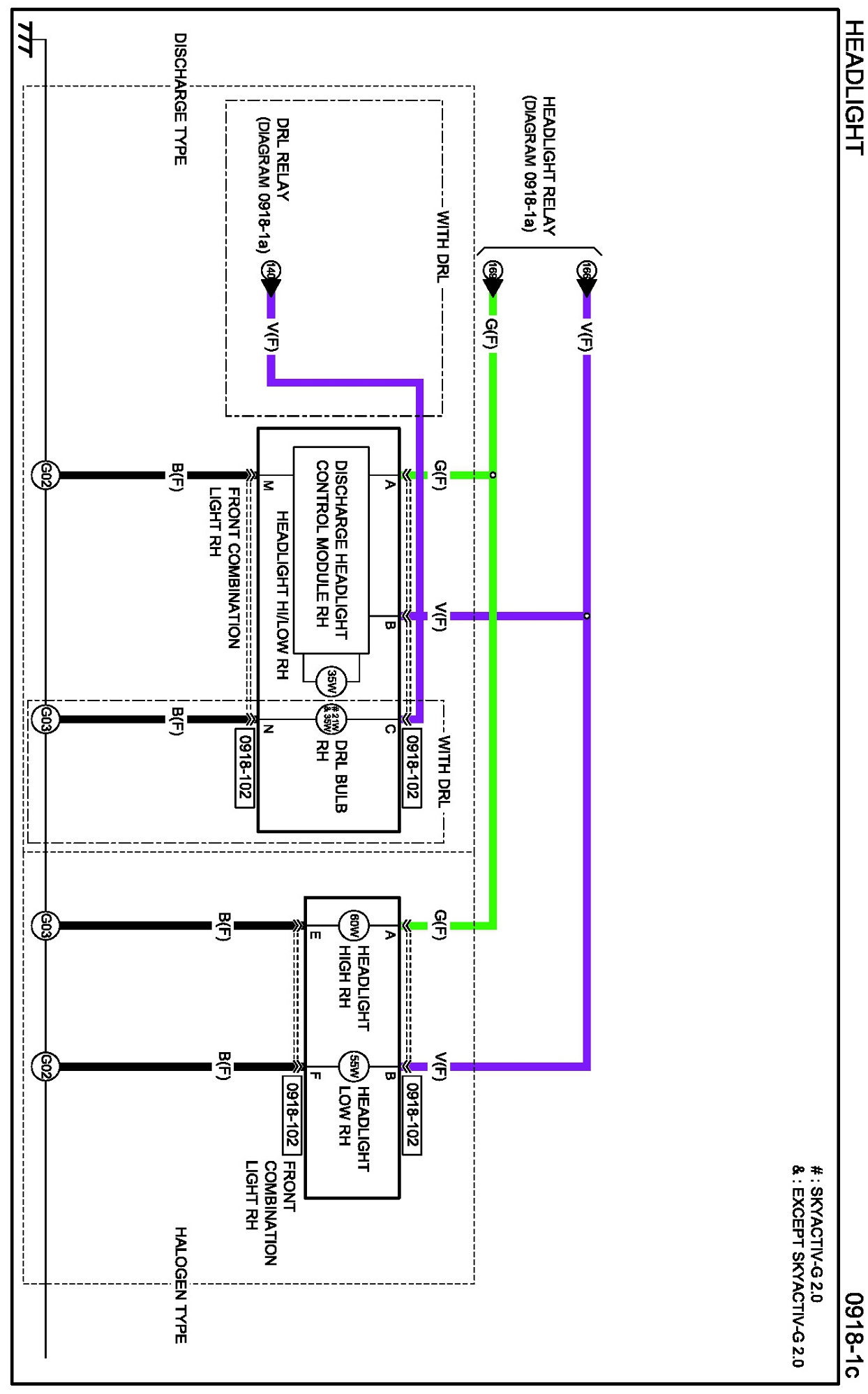
Diagram 0918-1c:




Connectors 0918-1c:




Routing View 0918-1c:






Diagram 0918-1d:




Connectors 0918-1d:




Routing View 0918-1d:






Diagrams: Other diagrams referred to by name within these diagrams can be found at Diagrams by Diagram Name. Diagrams By Diagram Name