Curiosii for ever!
: Car repair manuals for everyone.
Home
>>
Mazda
>>
2012
>>
3 L4-2.5L
>>
Repair and Diagnosis
>>
Body and Frame
>>
Locks
>>
Keyless Entry
>>
Testing and Inspection
>>
Scan Tool Testing and Procedures
>>
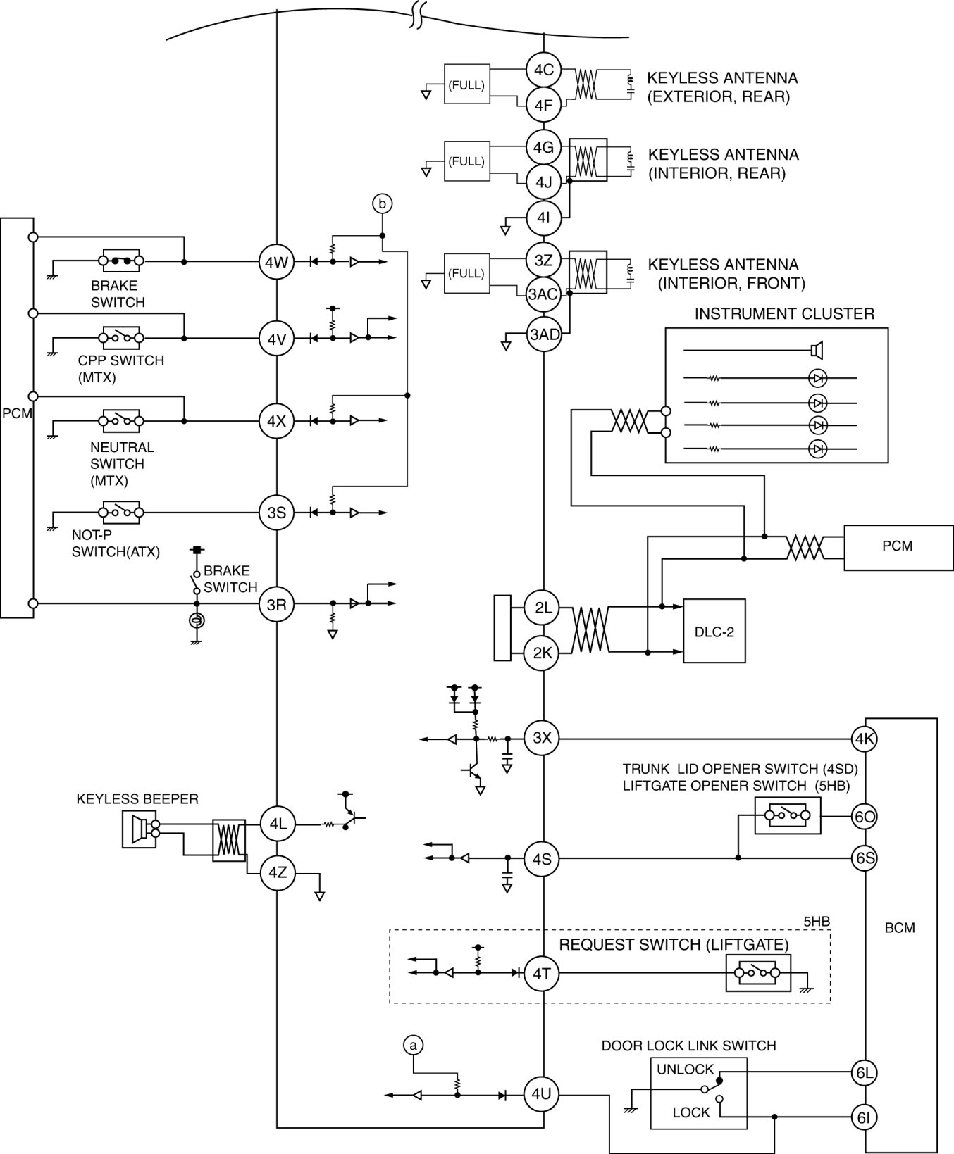
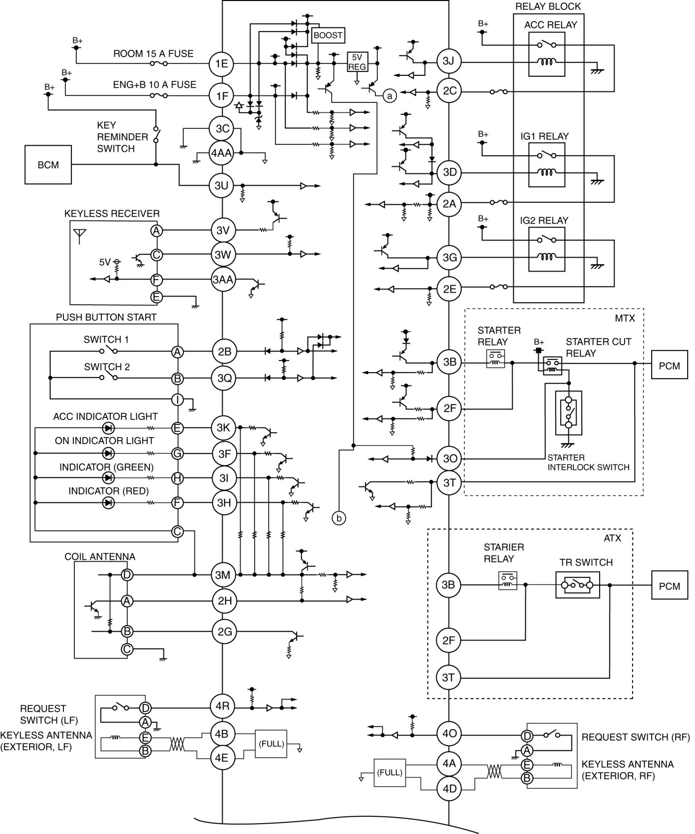
On-Board Diagnostic Wiring Diagram (Advanced Keyless Entry And Push Button Start System)
On-Board Diagnostic Wiring Diagram (Advanced Keyless Entry And Push Button Start System)
ON-BOARD DIAGNOSTIC WIRING DIAGRAM [ADVANCED
KEYLESS ENTRY
AND PUSH BUTTON START SYSTEM]