Curiosii for ever!
: Car repair manuals for everyone.
Home
>>
Mazda
>>
2012
>>
3 L4-2.0L (SKYACTIV-G)
>>
Repair and Diagnosis
>>
Powertrain Management
>>
Computers and Control Systems
>>
Testing and Inspection
>>
Scan Tool Testing and Procedures
>>
On-Board Diagnostic Wiring Diagram
On-Board Diagnostic Wiring Diagram
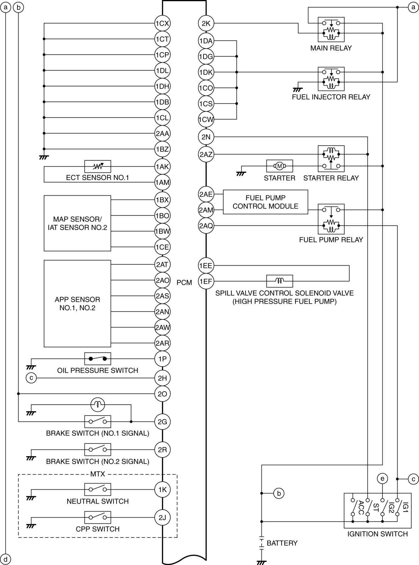
ON-BOARD DIAGNOSTIC WIRING DIAGRAM [SKYACTIV-G 2.0]