Curiosii for ever!
: Car repair manuals for everyone.
Home
>>
Mazda
>>
2012
>>
3 L4-2.0L (MZR)
>>
Repair and Diagnosis
>>
Restraints and Safety Systems
>>
Air Bag Systems
>>
Testing and Inspection
>>
Symptom Related Diagnostic Procedures
>>
System Wiring Diagram
>>
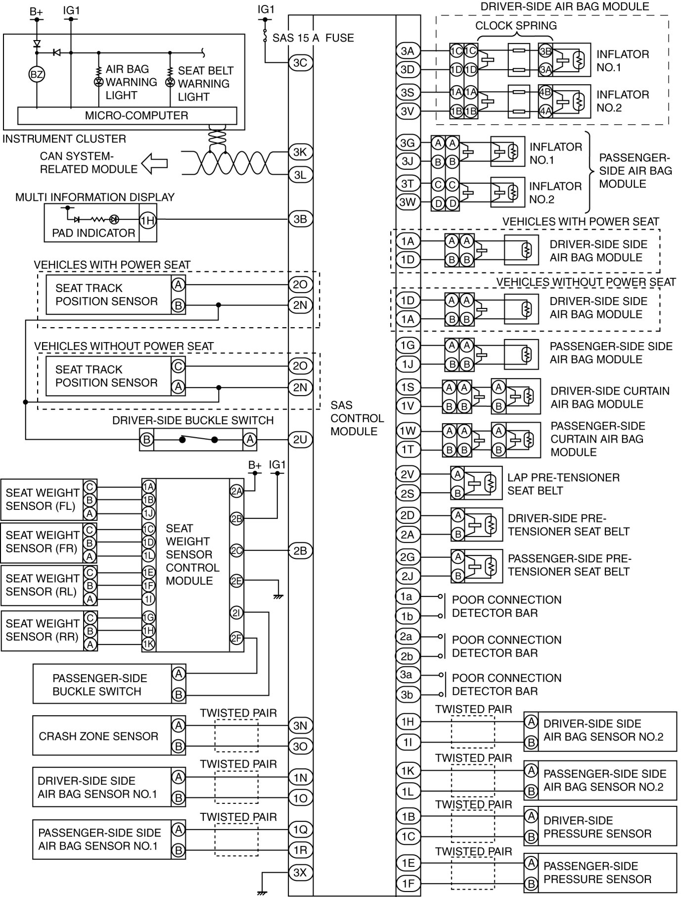
Two-Step Deployment Control System
Two-Step Deployment Control System
AIR BAG SYSTEM WIRING DIAGRAM (SYMPTOM TROUBLESHOOTING) [TWO-STEP DEPLOYMENT CONTROL SYSTEM]
Vehicles With DSC
Vehicles Without DSC