Curiosii for ever!: Car repair manuals for everyone.

Powertrain Management: Description and Operation





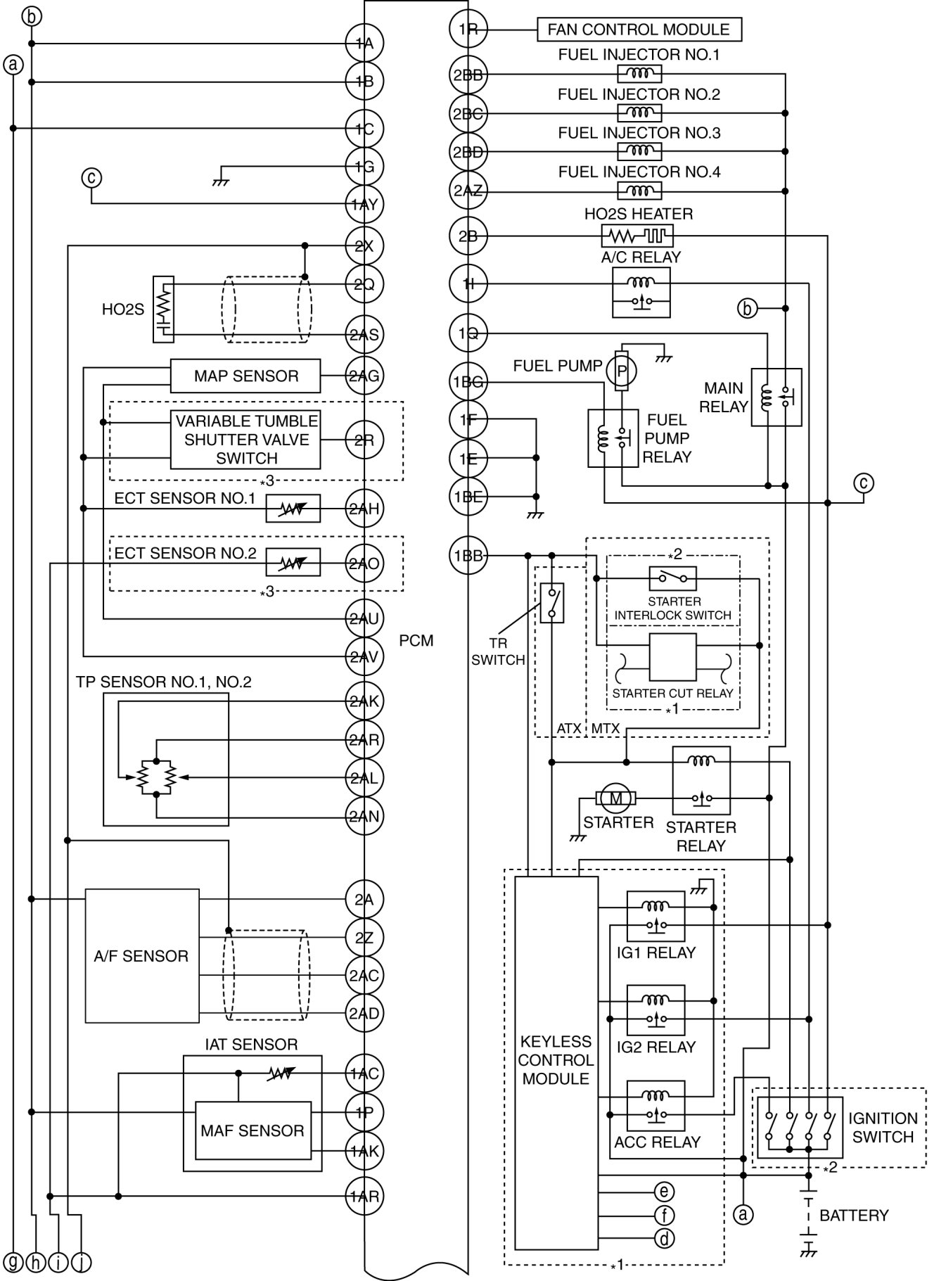
CONTROL SYSTEM WIRING DIAGRAM [MZR 2.0, MZR 2.5]









*1
Vehicles with advanced keyless entry and push button start system
*2
Vehicles without advanced keyless entry and push button start system
*3
Except for Mexico