Curiosii for ever!
: Car repair manuals for everyone.
Home
>>
Mazda
>>
2012
>>
3 L4-2.0L (MZR)
>>
Repair and Diagnosis
>>
Body and Frame
>>
Locks
>>
Keyless Entry
>>
Testing and Inspection
>>
Symptom Related Diagnostic Procedures
>>
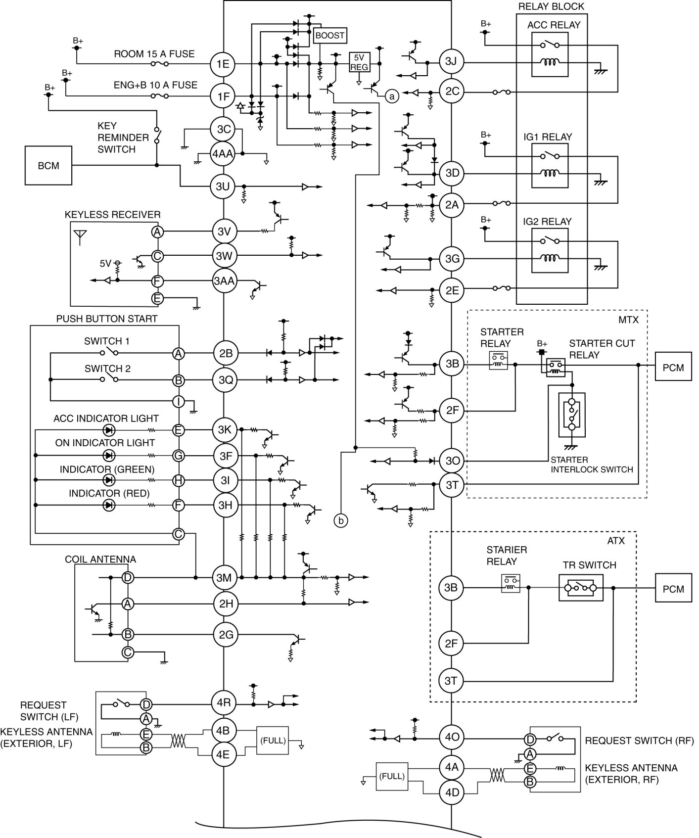
Advanced Keyless Entry And Push Button Start System
>>
System Wiring Diagram
System Wiring Diagram
KEYLESS ENTRY SYSTEM WIRING DIAGRAM [ADVANCED KEYLESS ENTRY AND PUSH BUTTON START SYSTEM]