Curiosii for ever!
: Car repair manuals for everyone.
Home
>>
Mazda
>>
2012
>>
2 L4-1.5L
>>
Repair and Diagnosis
>>
Windows and Glass
>>
Windows
>>
Testing and Inspection
>>
Symptom Related Diagnostic Procedures
>>
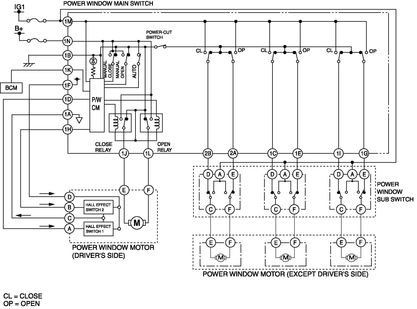
System Wiring Diagram
System Wiring Diagram
POWER WINDOW SYSTEM WIRING DIAGRAM [POWER WINDOW SYSTEM]