Curiosii for ever!
: Car repair manuals for everyone.
Home
>>
Mazda
>>
2012
>>
2 L4-1.5L
>>
Repair and Diagnosis
>>
Steering and Suspension
>>
Steering
>>
Testing and Inspection
>>
Scan Tool Testing and Procedures
>>
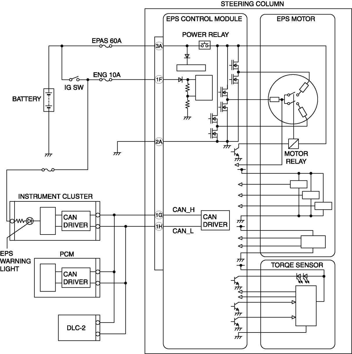
System Wiring Diagram
System Wiring Diagram
ELECTRIC
POWER STEERING
(EPS) SYSTEM WIRING DIAGRAM