Curiosii for ever!
: Car repair manuals for everyone.
Home
>>
Mazda
>>
2012
>>
2 L4-1.5L
>>
Repair and Diagnosis
>>
Power and Ground Distribution
>>
Diagrams
>>
Electrical Diagrams
>>
Power Distribution
Power Distribution
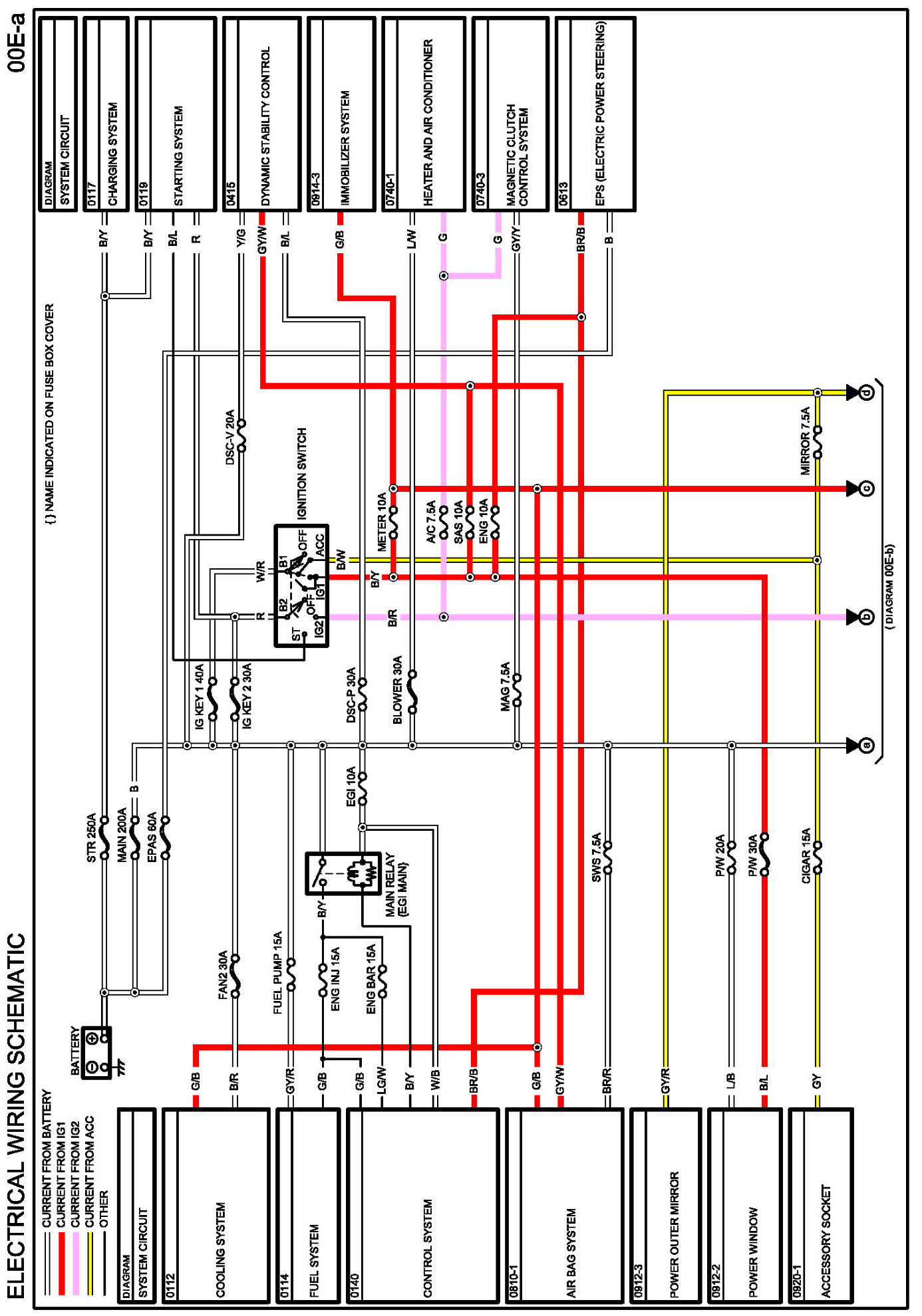
Diagram 00E-a:
Diagram 00E-b:
Diagrams:
Other diagrams referred to by name within these diagrams can be found at
Diagrams by Diagram Name
.
Diagrams By Diagram Name