Curiosii for ever!: Car repair manuals for everyone.

Cargo Lamp: Testing and Inspection





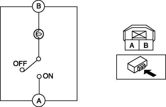
CARGO COMPARTMENT LIGHT INSPECTION

1. Disconnect the negative battery cable.

2. Remove the cargo compartment light. Service and Repair

3. Verify that the continuity between the cargo compartment light terminals is as indicated in the table.






- If not as indicated in the table, replace the cargo compartment light.