Curiosii for ever!: Car repair manuals for everyone.

Windshield Washer Switch: Testing and Inspection




WINDSHIELD WIPER AND WASHER SWITCH INSPECTION

1. Disconnect the negative battery cable.

2. Remove the following parts:
a. Front scuff plate (Driver‘s side) Front Scuff Plate Removal/Installation

b. Front side trim (Driver‘s side) Front Side Trim Removal/Installation

c. Hood release lever Service and Repair

d. Upper panel Upper Panel Removal/Installation

e. Shift knob (MTX) (See Manual Transaxle Shift Mechanism Removal/Installation)

f. Selector lever knob (ATX) Service and Repair

g. Shift panel Shift Panel Removal/Installation

h. Side wall Side Wall Removal/Installation

i. Console Console Removal/Installation

j. Lower panel Lower Panel Removal/Installation

k. Column cover Service and Repair

l. Wiper and washer switch Service and Repair

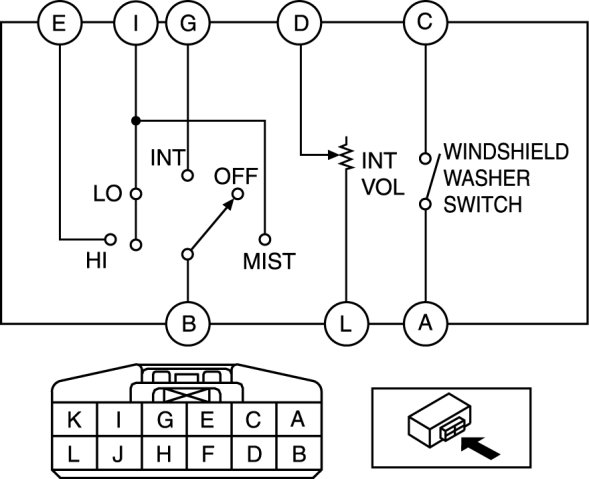
3. Verify that the resistance and continuity between the windshield wiper and washer switch terminals as indicated in the table.

- If the continuity is not as indicated in the table, or if the resistance is not within the specification, replace the windshield wiper and washer switch.

Vehicles With Auto Wiper System















Vehicles Without Auto Wiper System