Curiosii for ever!: Car repair manuals for everyone.

Valve Body: Service and Repair




CONTROL VALVE BODY REMOVAL/INSTALLATION [FS5A-EL]

Primary Control Valve Body On-Vehicle Removal

WARNING:
- A hot transaxle and ATF can cause severe burns. Turn off the engine and wait until they are cool.
- Using compressed air can cause dirt and other particles to fly out, causing injury to the eyes. Wear protective eyeglasses whenever using compressed air.

1. Remove the battery cover. Removal and Replacement

2. Disconnect the negative battery cable.

3. Remove the aerodynamic under cover NO.2. Aerodynamic Under Cover No.2 Removal/Installation

4. Clean the transaxle exterior throughout with a steam cleaner or cleaning solvents.

5. Drain the ATF. Automatic Transaxle Fluid (ATF) Replacement

6. Remove the oil pan.

7. Remove the oil strainer.

8. Disconnect each solenoid valve connector and GND.






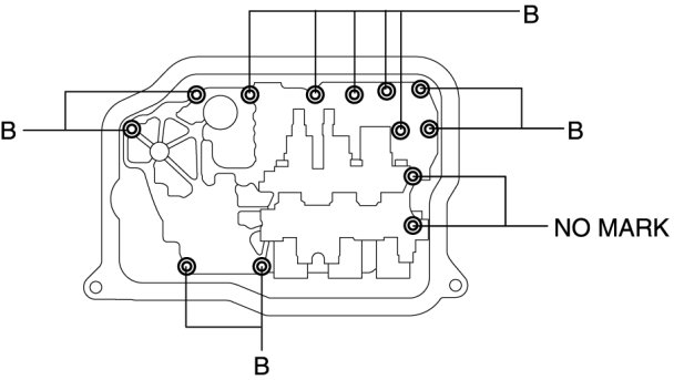
9. Remove the bolts as shown, then remove the primary control valve body.






10. Remove the accumulators and accumulator springs.






Primary Control Valve Body On-Vehicle Installation

CAUTION:
- Be sure to align the parking rod and the manual valve.






1. Install the accumulator springs, accumulators and primary control valve body.





Accumulator spring specification





2. Tighten the bolts as shown to install the primary control valve body.






Tightening torque
- 8-10 Nm {82-101 kgf-cm, 71-88 in-lbf}

Bolt length measured from below the head





3. Match the harness colors, then connect each solenoid valves connector. Connector color (harness-side)





4. Install the GND.






Tightening torque
- 8-10 Nm {82-101 kgf-cm, 71-88 in-lbf}

5. Install the oil strainer.

6. Install the TFT sensor to the oil strainer.

7. Apply a light coat of silicon sealant (TB1217E) to the contact surfaces of the oil pan and transaxle case.






CAUTION:
- If any sealant remains on the sealing surfaces of the transaxle case and oil pan, transaxle damage may occur. Use a cleaning fluid to remove any old sealant from the transaxle case and oil pan.

8. Install the oil pan before the applied sealant starts to harden.

Tightening torque
- 6-8 Nm {62-81 kgf-cm, 54-70 in-lbf}

9. Add the ATF. Automatic Transaxle Fluid (ATF) Replacement

10. Install the aerodynamic under cover NO.2. Aerodynamic Under Cover No.2 Removal/Installation

11. Connect the negative battery cable.

12. Install the battery cover. Removal and Replacement

13. Perform the "Mechanical System Test". Mechanical System Test

14. Perform the "Road Test". Road Test

Secondary Control Valve Body On-Vehicle Removal

WARNING:
- A hot transaxle and ATF can cause severe burns. Turn off the engine and wait until they are cool.
- Using compressed air can cause dirt and other particles to fly out, causing injury to the eyes. Wear protective eyeglasses whenever using compressed air.

1. Remove the battery cover. Removal and Replacement

2. Disconnect the negative battery cable.

3. Remove the battery component (ex: battery, battery tray and PCM component). Removal and Replacement

4. Remove the aerodynamic under cover NO.2. Aerodynamic Under Cover No.2 Removal/Installation

5. Clean the transaxle exterior throughout with a steam cleaner or cleaning solvents.

6. Drain the ATF. Automatic Transaxle Fluid (ATF) Replacement

7. Remove the oil cover.

8. Disconnect each solenoid valve connector.






9. Remove the bolts and GND as shown, then remove the secondary control valve body.






10. Remove the tubular pin and O-ring.






Secondary Control Valve Body On-Vehicle Installation

1. Install the tubular pin and new O-rings to the transaxle case.






2. Install the secondary control valve body.

3. Tighten the bolts and GND as shown to install the secondary control valve body.






Tightening torque
- 8-10 Nm {82-101 kgf-cm, 71-88 in-lbf}

Bolt length measured from below the head





4. Connect each solenoid valve connector.





Connector color (harness-side)





5. Apply a light coat of silicon sealant (TB1217E) to the contact surfaces of the oil cover and transaxle case.






CAUTION:
- If any sealant remains on the sealing surfaces of the transaxle case and oil cover, transaxle damage may occur. Use a cleaning fluid to remove any old sealant from the transaxle case and oil cover.

6. Install the oil cover before the applied sealant starts to harden.

Tightening torque
- 8-10 Nm {82-101 kgf-cm, 71-88 in-lbf}

7. Add the ATF. Automatic Transaxle Fluid (ATF) Replacement

8. Install the aerodynamic under cover NO.2. Aerodynamic Under Cover No.2 Removal/Installation

9. Install the battery component (ex: battery, battery tray and PCM component). Removal and Replacement

10. Connect the negative battery cable.

11. Install the battery cover. Removal and Replacement

12. Perform the "Mechanical System Test". Mechanical System Test

13. Perform the "Road Test". Road Test