Curiosii for ever!: Car repair manuals for everyone.

Front Door Window Motor: Testing and Inspection




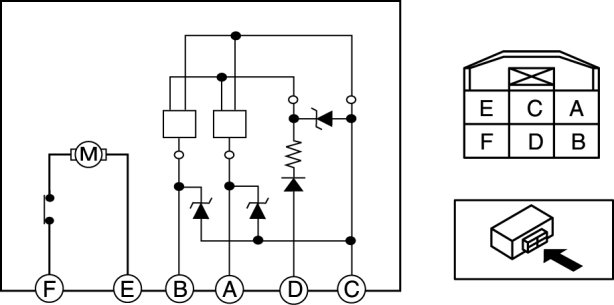
POWER WINDOW MOTOR INSPECTION

Driver Side

1. Apply battery positive voltage and connect the ground to power window motor terminals E and F, and then inspect the power window motor operation.






- If the power window motor does not operate an indicated in the table, replace it.





2. Connect the battery positive voltage to power window motor terminal D and connect terminal C to ground.

3. Operate the power window motor and measure the voltage at terminals A and B.

- If there is any malfunction, replace the power window motor.

Voltage
- Pulse: max. 5 V/min. 0 V

Passenger Side

1. Apply battery positive voltage to the power window motor terminals, and inspect the power window motor operation.






- If the power window motor does not operate as indicated in the table, replace it.