Curiosii for ever!
: Car repair manuals for everyone.
Home
>>
Mazda
>>
2010
>>
RX8 2RTR-1.3L
>>
Repair and Diagnosis
>>
Starting and Charging
>>
Starting System
>>
Starter Motor
>>
Service and Repair
>>
Overhaul
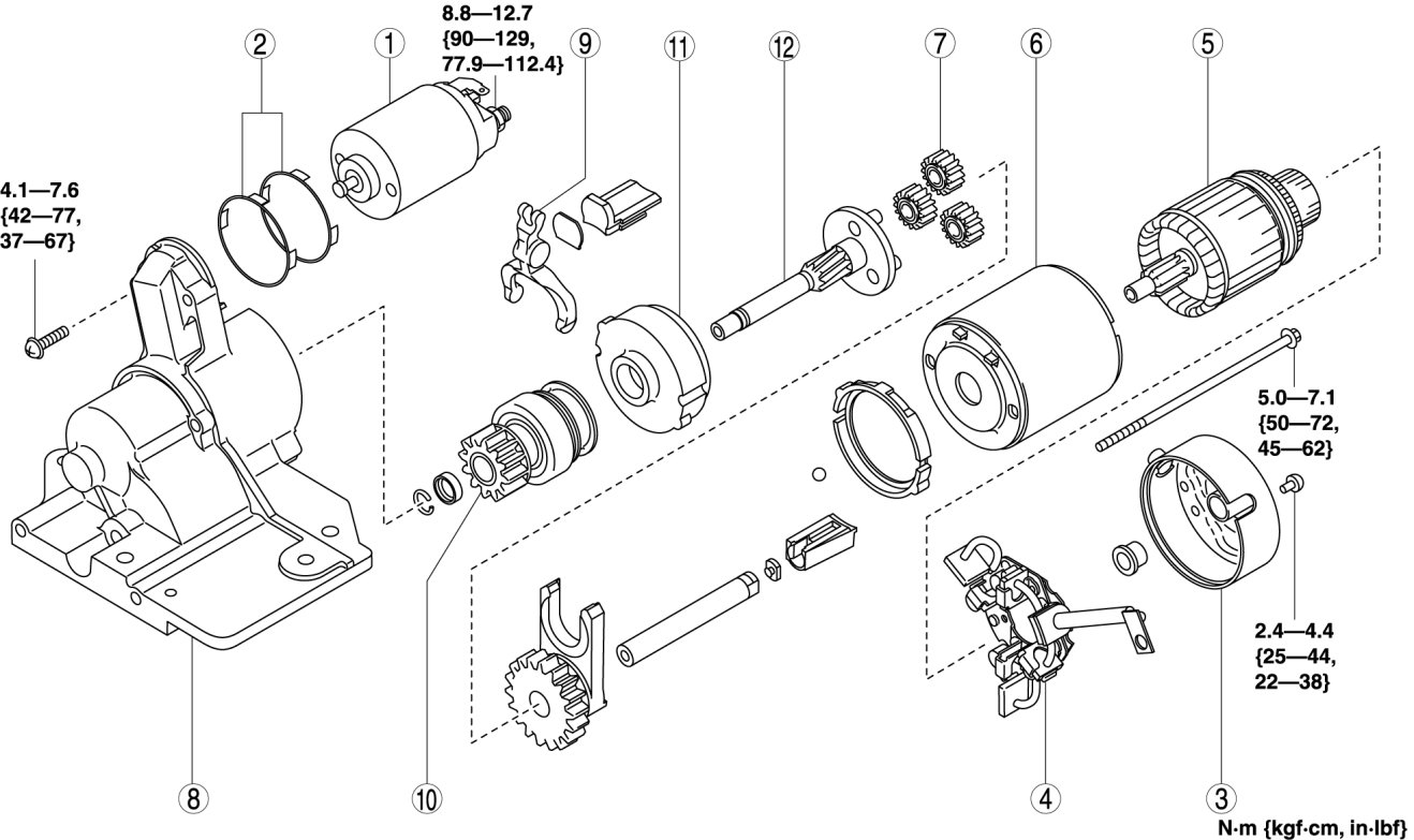
Overhaul
STARTER DISASSEMBLY/ASSEMBLY [13B-MSP]
1.
Disassemble in the order indicated in the table.
2.
Assemble in the reverse order of disassembly.
AT
MT