Curiosii for ever!: Car repair manuals for everyone.

Power Transistor HVAC: Testing and Inspection




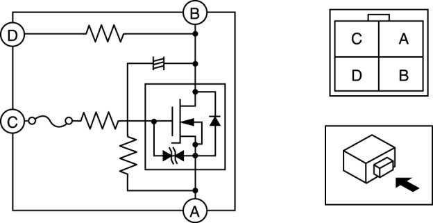
POWER TRANSISTOR INSPECTION [FULL-AUTO AIR CONDITIONER]

1. Verify that the continuity between the power transistor terminals is as indicated in the table.

- If there is any malfunction, replace the power transistor.
- If the blower motor operation is not normal even though no malfunction can be verified, inspect the A/C amplifier. A/C Amplifier Inspection - Full-Auto Air Conditioner