Curiosii for ever!: Car repair manuals for everyone.

Cabin Temperature Sensor / Switch: Testing and Inspection




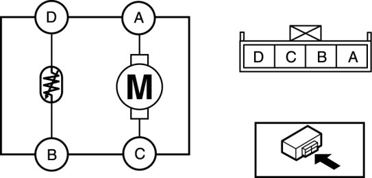
PASSENGER COMPARTMENT TEMPERATURE SENSOR INSPECTION [FULL-AUTO AIR CONDITIONER]

1. Measure the temperature around the passenger compartment temperature sensor and measure the resistance between passenger compartment temperature sensor terminal.

- If the characteristics of the passenger compartment temperature sensor are not as shown in the graph, replace the passenger compartment temperature sensor.






2. Connect battery positive voltage to passenger compartment temperature sensor terminal A, ground to terminal C, and then verify that the fan operation.

- If there is any malfunction, replace the passenger compartment temperature sensor.