Curiosii for ever!: Car repair manuals for everyone.

Power Transistor HVAC: Testing and Inspection




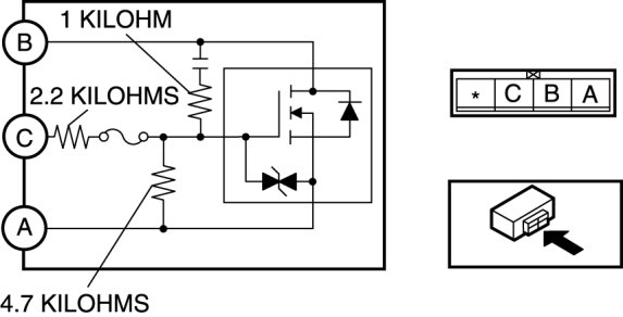
POWER METAL OXIDE SEMICONDUCTOR FIELD EFFECT TRANSISTOR (POWER MOS FET) INSPECTION [FULL-AUTO AIR CONDITIONER]

1. Verify that the continuity between the power MOS FET terminals is as indicated in the table.






- If there is any malfunction, replace the power MOS FET.
- If the blower motor operation is not normal even though no malfunction can be verified, inspect the climate control unit. Climate Control Unit Inspection - Full-Auto Air Conditioner