Curiosii for ever!: Car repair manuals for everyone.

Overhaul




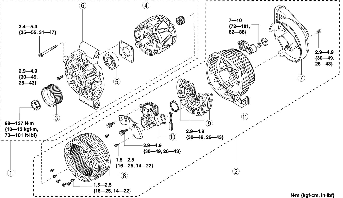
GENERATOR DISASSEMBLY/ASSEMBLY [LF]

CAUTION:
- Melt the solder quickly, otherwise the diodes (rectifier) and regulator will be damaged by excessive heat.

1. Disassemble in the order indicated in the table.

2. Assemble in the reverse order of disassembly.