Curiosii for ever!: Car repair manuals for everyone.

Removal and Replacement




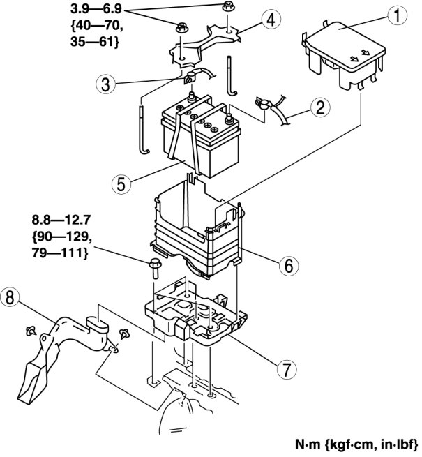
BATTERY REMOVAL/INSTALLATION [LF]

WARNING:
1 For vehicles with DSC, if the negative battery cable is disconnected, the stored initial position of the steering angle sensor will be cleared and the DSC will not operate properly, making the vehicle unsafe to drive. Perform the steering angle sensor initialization procedure after connecting the negative battery cable.

1. Remove in the order indicated in the table.

2. Install in the reverse order of removal.

3. Perform the steering angle sensor initialization procedure. Steering Angle Sensor Initialization Procedure










Battery Cover Removal Note

1. Remove the rubber hose from the battery cover.






2. Remove the battery cover from its right side.






Battery Duct Removal Note

1. Remove the front under cover. Front Under Cover Removal/Installation

2. Remove the battery duct.

Negative Battery Cable Installation Note

1. When connecting the negative battery cable to the battery, connect the negative battery cable and the ground cable as shown in the figure.