Curiosii for ever!: Car repair manuals for everyone.

Relay Box: Testing and Inspection




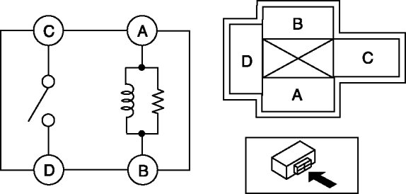
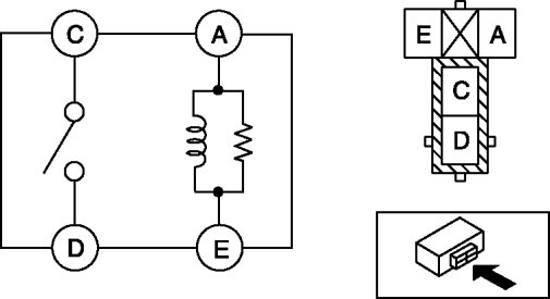
RELAY INSPECTION

Relay type





Type A

1. Verify the continuity between the relay terminals.






- If not as indicated in the table, replace the relay.

Step 1-Step 2:






Type B

1. Verify the continuity between the relay terminals.






- If not as indicated in the table, replace the relay.