Curiosii for ever!: Car repair manuals for everyone.

Brake Light Switch: Testing and Inspection




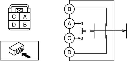
BRAKE SWITCH INSPECTION

CAUTION:
- If the brake switch is removed from the brake pedal, its proper functioning cannot be guaranteed when reinstalled. Therefore, inspect the brake switch with it still installed, or replace the brake switch if it is removed.

1. Verify continuity as indicated in the table.

- If not as indicated in the table, replace the brake switch.