Curiosii for ever!: Car repair manuals for everyone.

Power Mirror Switch: Testing and Inspection




POWER OUTER MIRROR SWITCH INSPECTION

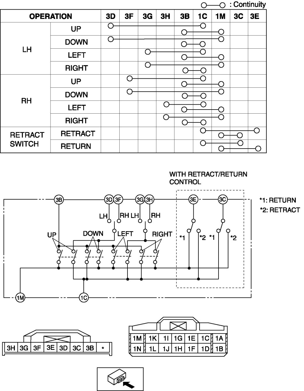
With Exterior Open/close Function

1. Switch the ignition to on.

2. Verify that the power outer mirror switch can be operated for approx. 43 s after the ignition is switched off.

- If the power outer mirror cannot be operated for approx. 43 s after the ignition is switched off, or if the power outer mirror can still be operated after approx. 43 s, replace the power outer mirror switch.

3. Disconnect the negative battery cable.

4. Remove the inner garnish. Inner Garnish Removal/Installation

5. Remove the front door trim. Front Door Trim Removal/Installation

6. Remove the switch panel. Overhaul

7. Using a tester, verify that the continuity between the power outer mirror switch terminals is as indicated in the table.

- If not as indicated in the table, replace the power outer mirror switch.






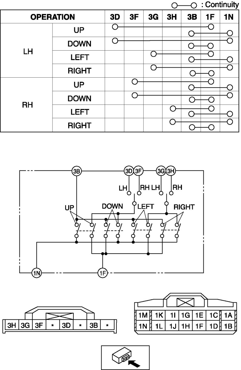
Without Exterior Open/close Function

1. Switch the ignition to on.

2. Verify that the power outer mirror switch can be operated for approx. 43 s after the ignition is switched off.

- If the power outer mirror cannot be operated for approx. 43 s after the ignition is switched off, or if the power outer mirror can still be operated after approx. 43 s, replace the power outer mirror switch.

3. Disconnect the negative battery cable.

4. Remove the inner garnish. Inner Garnish Removal/Installation

5. Remove the front door trim. Front Door Trim Removal/Installation

6. Remove the switch panel. Overhaul

7. Using a tester, verify that the continuity between the power outer mirror switch terminals is as indicated in the table.

- If not as indicated in the table, replace the power outer mirror switch.