Curiosii for ever!: Car repair manuals for everyone.

Front Console Removal/Installation




FRONT CONSOLE REMOVAL/INSTALLATION

1. Remove the battery cover. Removal and Replacement

2. Disconnect the negative battery cable.

3. Remove the side wall. Side Wall Removal/Installation

4. Remove the selector lever knob (ATX), shift lever knob (MTX).

5. Pull the indicator panel (ATX), boot panel (MTX) upward and detach clips A.






6. Remove the indicator panel.

Vehicles Without Rear Vent

1. Remove the screws.






2. Pull the front console outward and detach clips A and tabs B.

3. Disconnect the cigarette lighter connector.

4. Disconnect the accessory socket connector.

5. Remove the front console.

6. Install in the reverse order of removal.

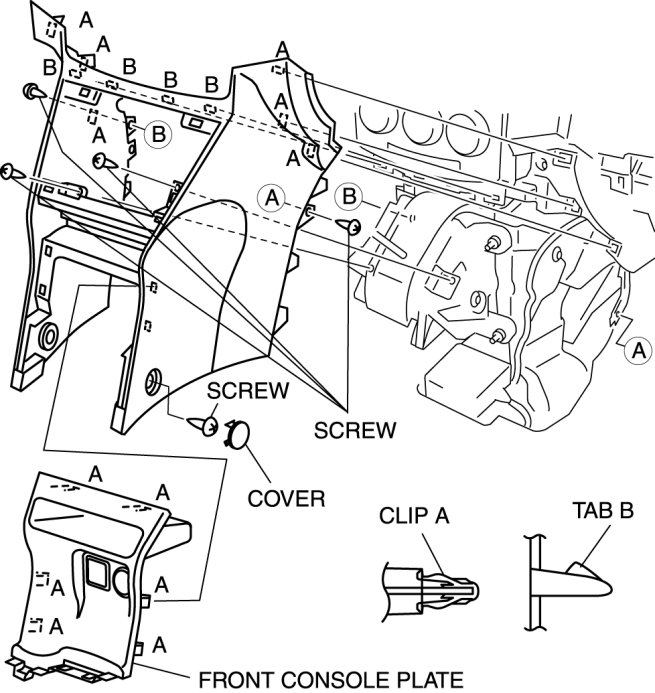
Vehicles With Rear Vent

1. Remove the center console. Center Console Removal/Installation

2. Remove the front console plate.

3. Remove the covers.

4. Remove the screw.






5. Disconnect the cigarette lighter connector.

6. Disconnect the accessory socket connector.

7. Pull the front console outward and detach clips A and tabs B.

8. Remove the front console.

9. Install in the reverse order of removal.