Curiosii for ever!: Car repair manuals for everyone.

Rear Cross-Member: Service and Repair




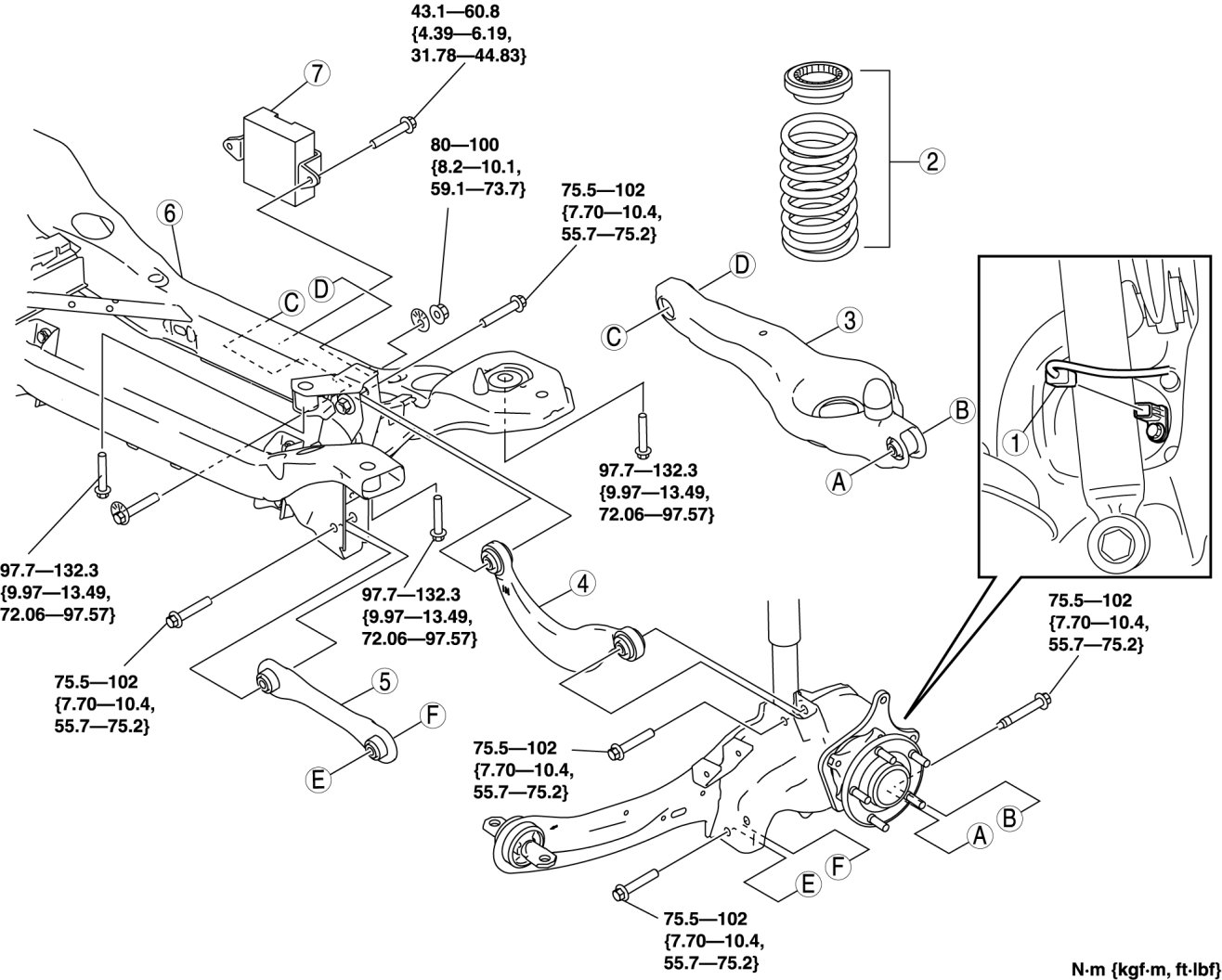
REAR CROSSMEMBER REMOVAL/INSTALLATION

CAUTION:
- Performing the following procedures without first removing the ABS wheel-speed sensor may possibly cause an open circuit in the wiring harness if it is pulled by mistake. Before performing the following procedures, disconnect the ABS wheel-speed sensor wiring harness connector (axle side) and fix the wiring harness to an appropriate place where it will not be pulled by mistake while servicing the vehicle.

1. Remove the rear stabilizer. Rear Stabilizer Removal/Installation

2. Remove the charcoal canister. Service and Repair

3. Remove in the order indicated in the table.

4. Install in the reverse order of removal.

5. Inspect the wheel alignment and adjust it if necessary. Rear Wheel Alignment










Rear Crossmember Removal Note

WARNING:
1 Verify that the crossmember is securely supported by a jack. If the rear crossmember falls off, it can cause serious injury or death, and damage to the vehicle.

1. Support the rear crossmember with the jack and remove the bolt.






2. Remove the rear crossmember.