Curiosii for ever!: Car repair manuals for everyone.

Wiper Motor: Testing and Inspection




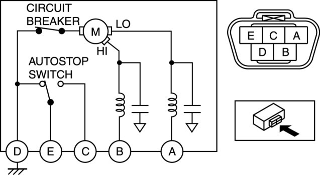
WINDSHIELD WIPER MOTOR INSPECTION

1. Disconnect the windshield wiper motor connector.

2. Connect battery positive voltage to windshield wiper motor terminal A or B, and ground to terminal D, then verify that the windshield wipers operate as shown in the table.






- If the windshield wipers do not operate as indicated in the table, replace the windshield wiper motor.






3. Operate the wipers, disconnect battery positive voltage from terminal B, and then verify that the wipers stop.

4. Connect windshield wiper motor terminals E and A, and apply battery positive voltage to terminal C.

5. Operate the wipers at low speed, and verify that they stop in the park position.

- If there is any malfunction, replace the windshield wiper motor.