Curiosii for ever!
: Car repair manuals for everyone.
Home
>>
Mazda
>>
2009
>>
RX8 2RTR-1.3L
>>
Repair and Diagnosis
>>
Windows and Glass
>>
Windows
>>
Testing and Inspection
>>
Symptom Related Diagnostic Procedures
>>
Power Window System
>>
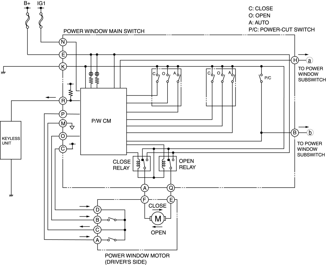
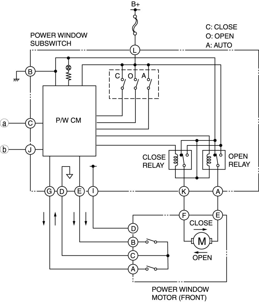
Power Window System Wiring Diagram [Power Window System (With Exterior Open/Close Function)]
Power Window System Wiring Diagram [Power Window System (With Exterior Open/Close Function)]
POWER WINDOW SYSTEM WIRING DIAGRAM [POWER WINDOW SYSTEM (WITH EXTERIOR OPEN/CLOSE FUNCTION)]
Power Window Main Switch
Power Window Subswitch