Curiosii for ever!
: Car repair manuals for everyone.
Home
>>
Mazda
>>
2009
>>
RX8 2RTR-1.3L
>>
Repair and Diagnosis
>>
Brakes and Traction Control
>>
Antilock Brakes / Traction Control Systems
>>
Testing and Inspection
>>
Scan Tool Testing and Procedures
>>
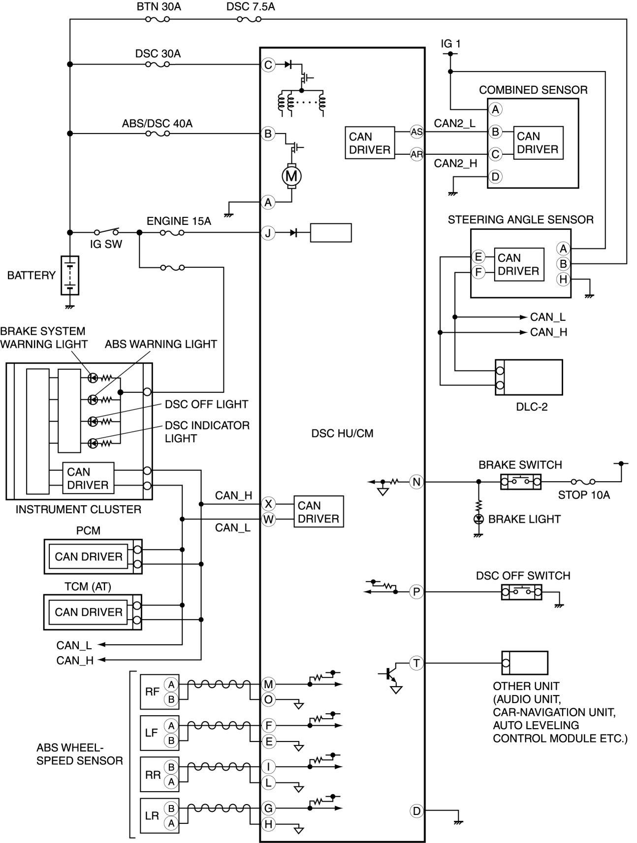
Dynamic Stability Control System Wiring Diagram [Dynamic Stability Control (DSC)]
Dynamic Stability Control System Wiring Diagram [Dynamic Stability Control (DSC)]
DYNAMIC STABILITY CONTROL SYSTEM WIRING DIAGRAM [DYNAMIC STABILITY CONTROL (DSC)]