Curiosii for ever!
: Car repair manuals for everyone.
Home
>>
Mazda
>>
2009
>>
Mazdaspeed3 L4-2.3L Turbo
>>
Repair and Diagnosis
>>
Windows and Glass
>>
Windows
>>
Testing and Inspection
>>
Symptom Related Diagnostic Procedures
>>
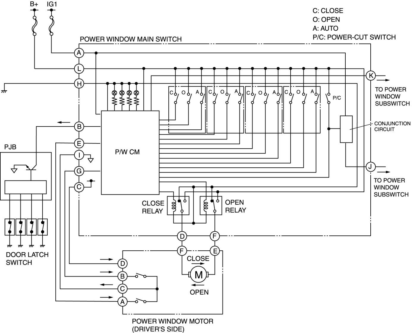
Power Window System Wiring Diagram [Power Window System]
Power Window System Wiring Diagram [Power Window System]
POWER WINDOW SYSTEM WIRING DIAGRAM [POWER WINDOW SYSTEM]