Curiosii for ever!
: Car repair manuals for everyone.
Home
>>
Mazda
>>
2009
>>
Mazdaspeed3 L4-2.3L Turbo
>>
Repair and Diagnosis
>>
Powertrain Management
>>
Description and Operation
>>
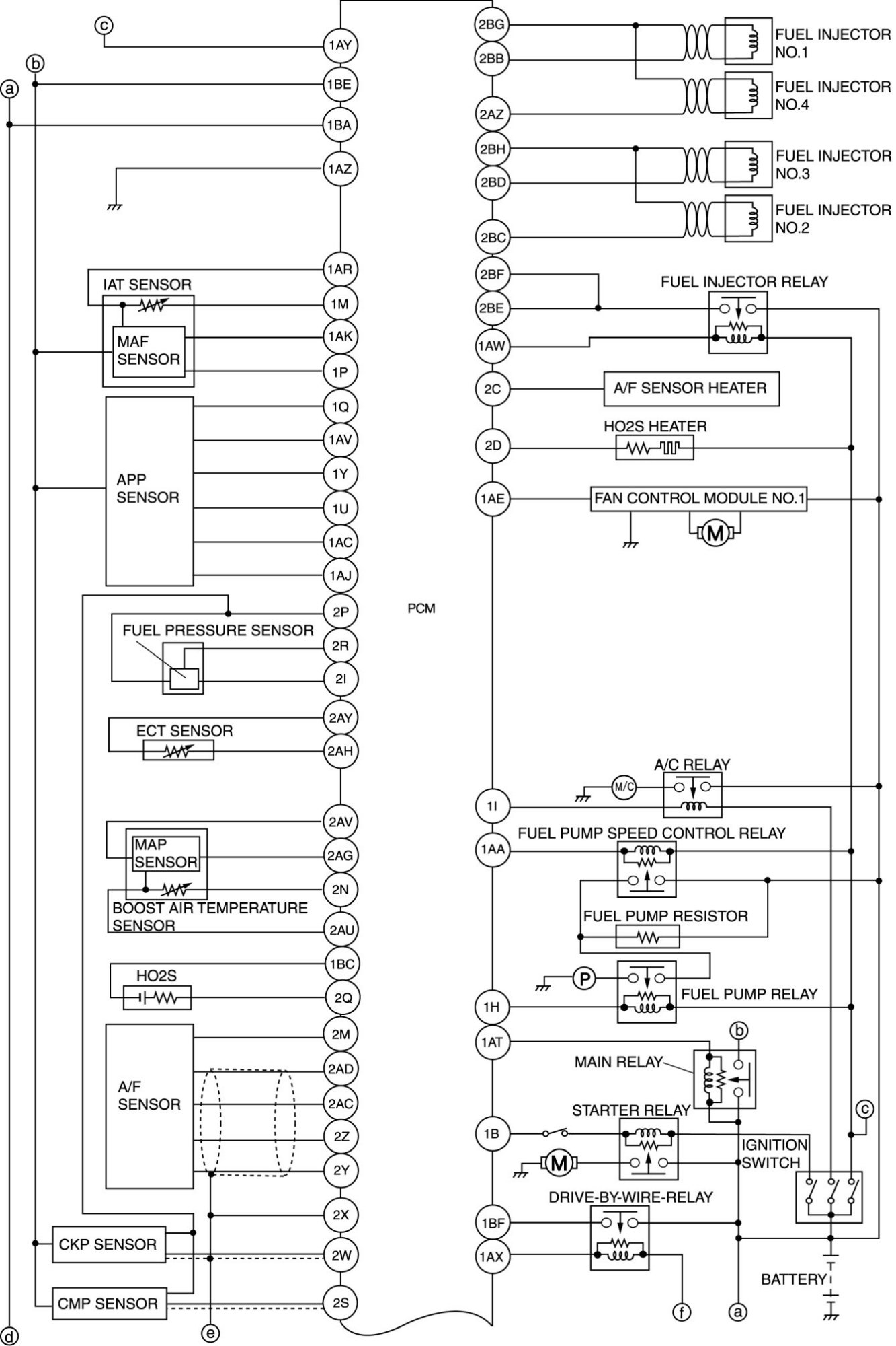
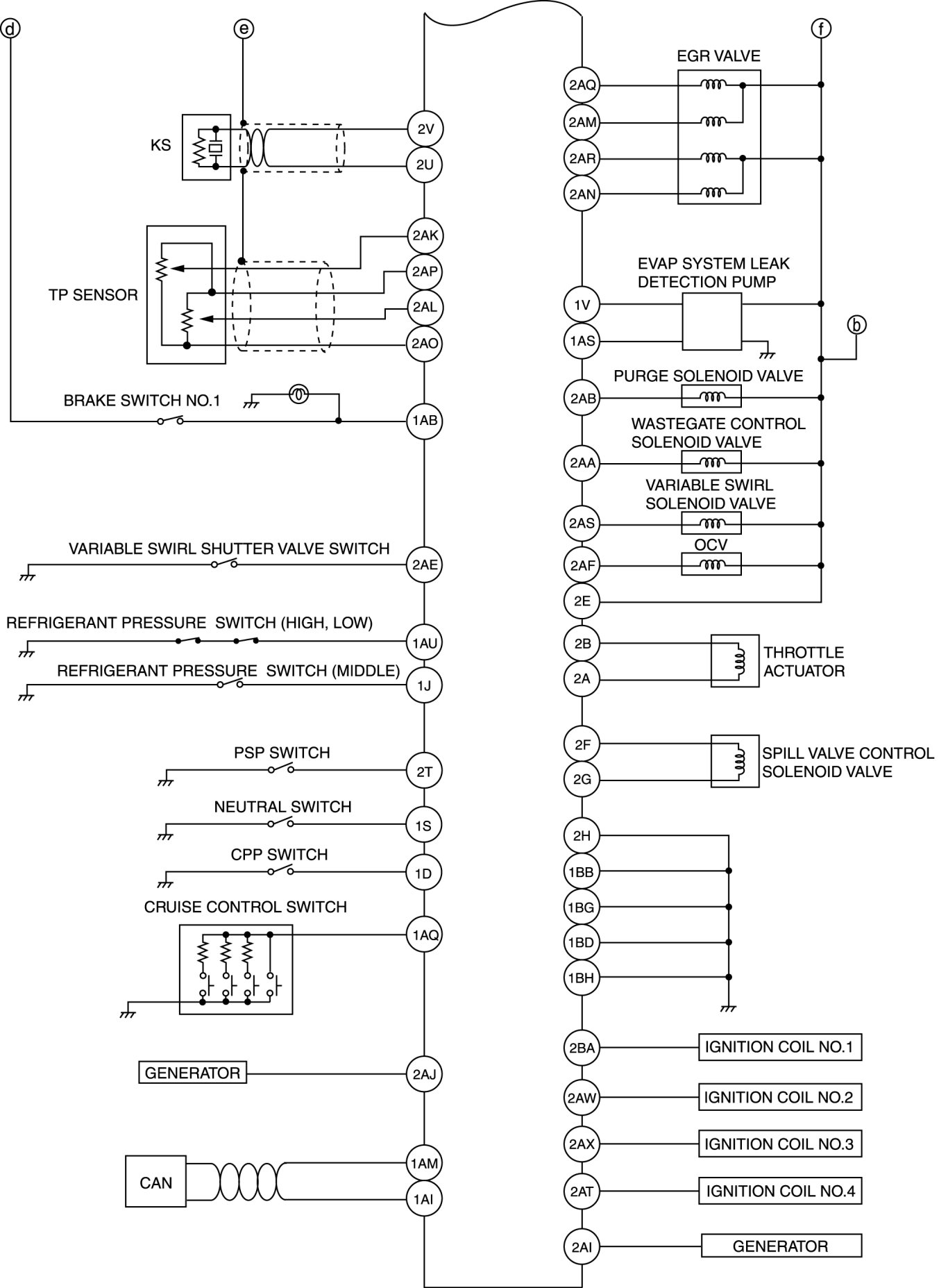
Control System Wiring Diagram
Control System Wiring Diagram
CONTROL SYSTEM WIRING DIAGRAM [L3 WITH TC]