Curiosii for ever!
: Car repair manuals for everyone.
Home
>>
Mazda
>>
2009
>>
Mazdaspeed3 L4-2.3L Turbo
>>
Repair and Diagnosis
>>
Power and Ground Distribution
>>
Diagrams
>>
Electrical Diagrams
>>
Power Distribution
Power Distribution
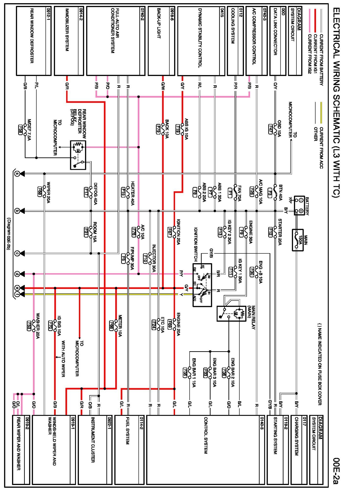
Diagram 00E-2a:
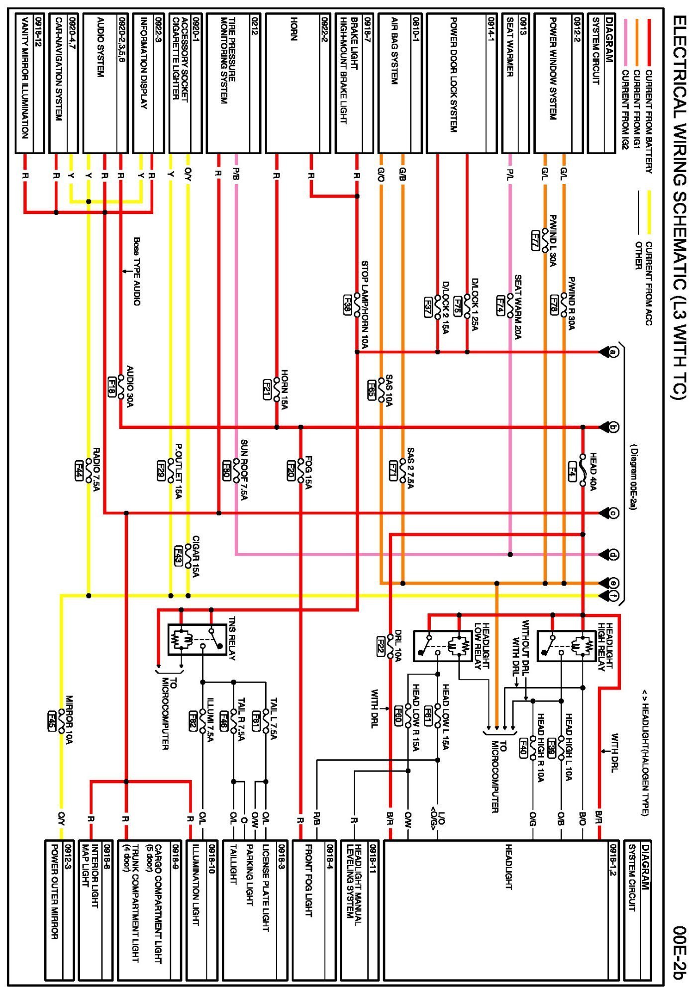
Diagram 00E-2b:
Diagrams:
Other diagrams referred to by name within these diagrams can be found at
Diagrams by Diagram Name
.
Diagrams By Diagram Name