Curiosii for ever!
: Car repair manuals for everyone.
Home
>>
Mazda
>>
2009
>>
6 V6-3.7L
>>
Repair and Diagnosis
>>
Powertrain Management
>>
Diagrams
>>
Electrical Diagrams
>>
Control System Wiring Diagram
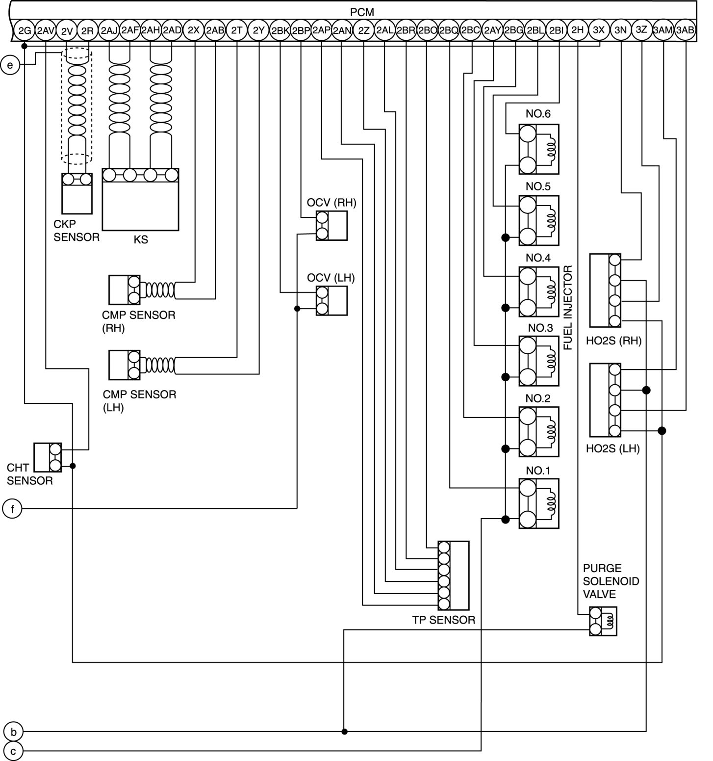
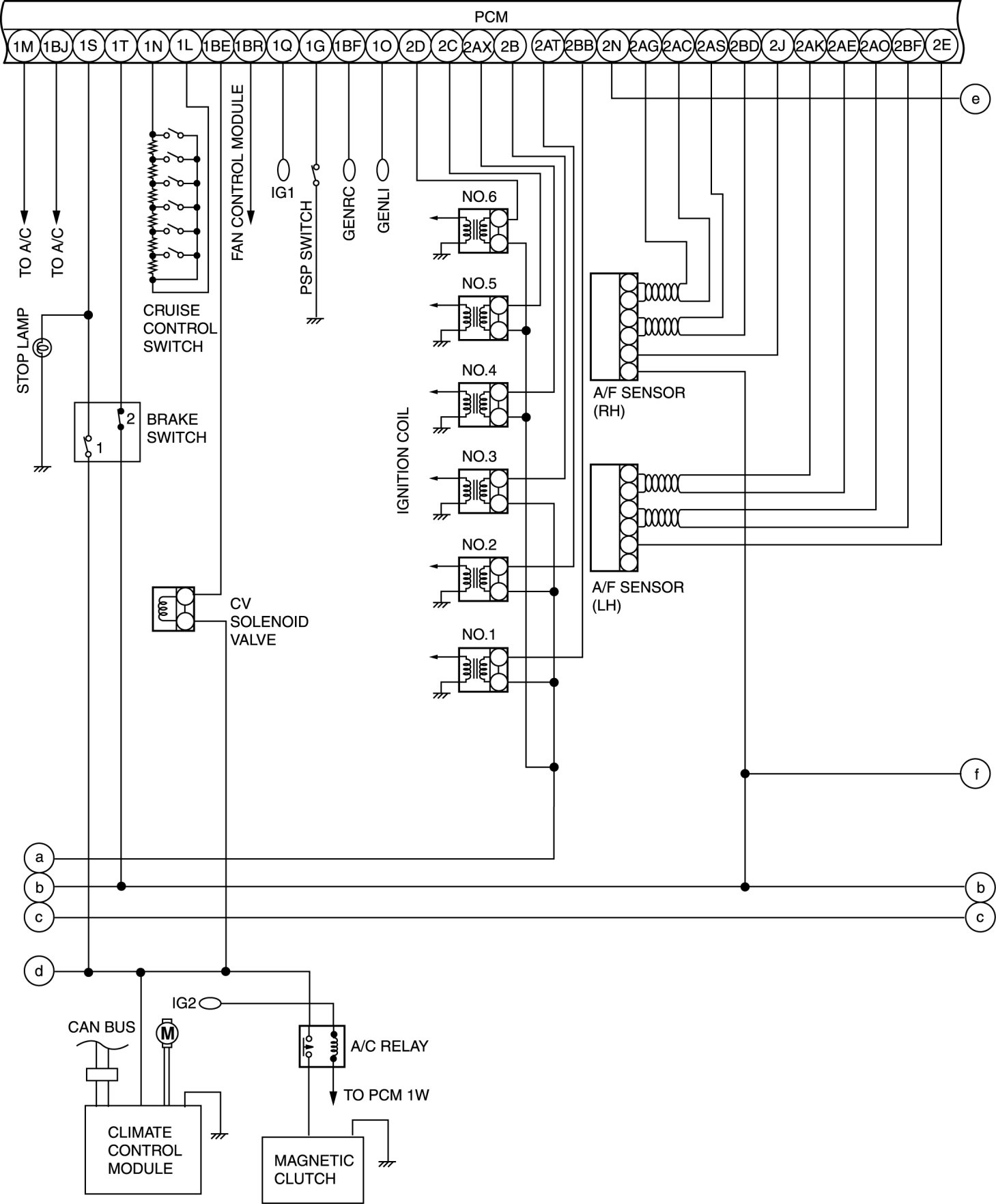
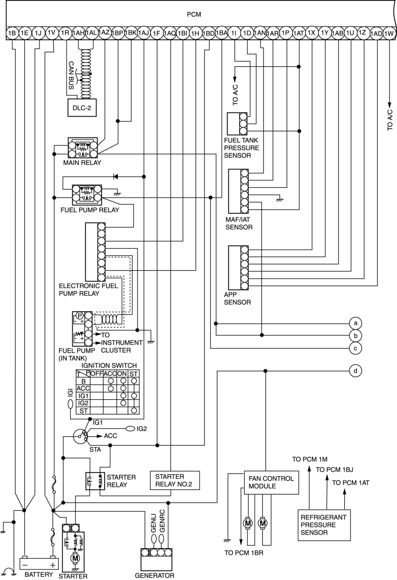
Control System Wiring Diagram
CONTROL SYSTEM WIRING DIAGRAM [MZI-3.7]