Curiosii for ever!: Car repair manuals for everyone.

Power Window System (Without Retractable Outer Mirror)

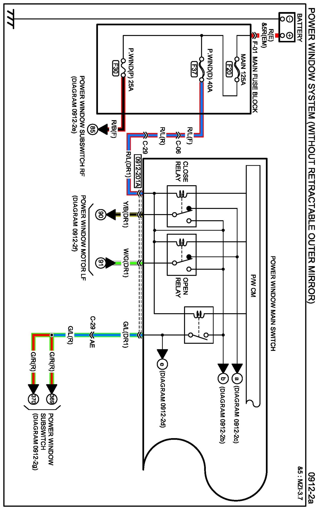
Diagram 0912-2a:




Connectors 0912-2a:




Routing View 0912-2a:






Diagram 0912-2b:




Connectors 0912-2b:




Routing View 0912-2b:






Diagram 0912-2c:




Connectors 0912-2c:




Routing View 0912-2c:






Diagram 0912-2d:




Connectors 0912-2d:




Routing View 0912-2d:






Diagram 0912-2d:




Connectors 0912-2d:




Routing View 0912-2d:






Diagram 0912-2e:




Connectors 0912-2e:




Routing View 0912-2e:






Diagram 0912-2f:




Connectors 0912-2f:




Routing View 0912-2f:






Diagram 0912-2g:




Connectors 0912-2g:




Routing View 0912-2g:






Diagrams: Other diagrams referred to by name within these diagrams can be found at Diagrams by Diagram Name. Diagrams By Diagram Name