Curiosii for ever!
: Car repair manuals for everyone.
Home
>>
Mazda
>>
2009
>>
6 L4-2.5L
>>
Repair and Diagnosis
>>
Windows and Glass
>>
Windows
>>
Testing and Inspection
>>
Symptom Related Diagnostic Procedures
>>
Power Window Systems (Auto-Open/Close Function)
>>
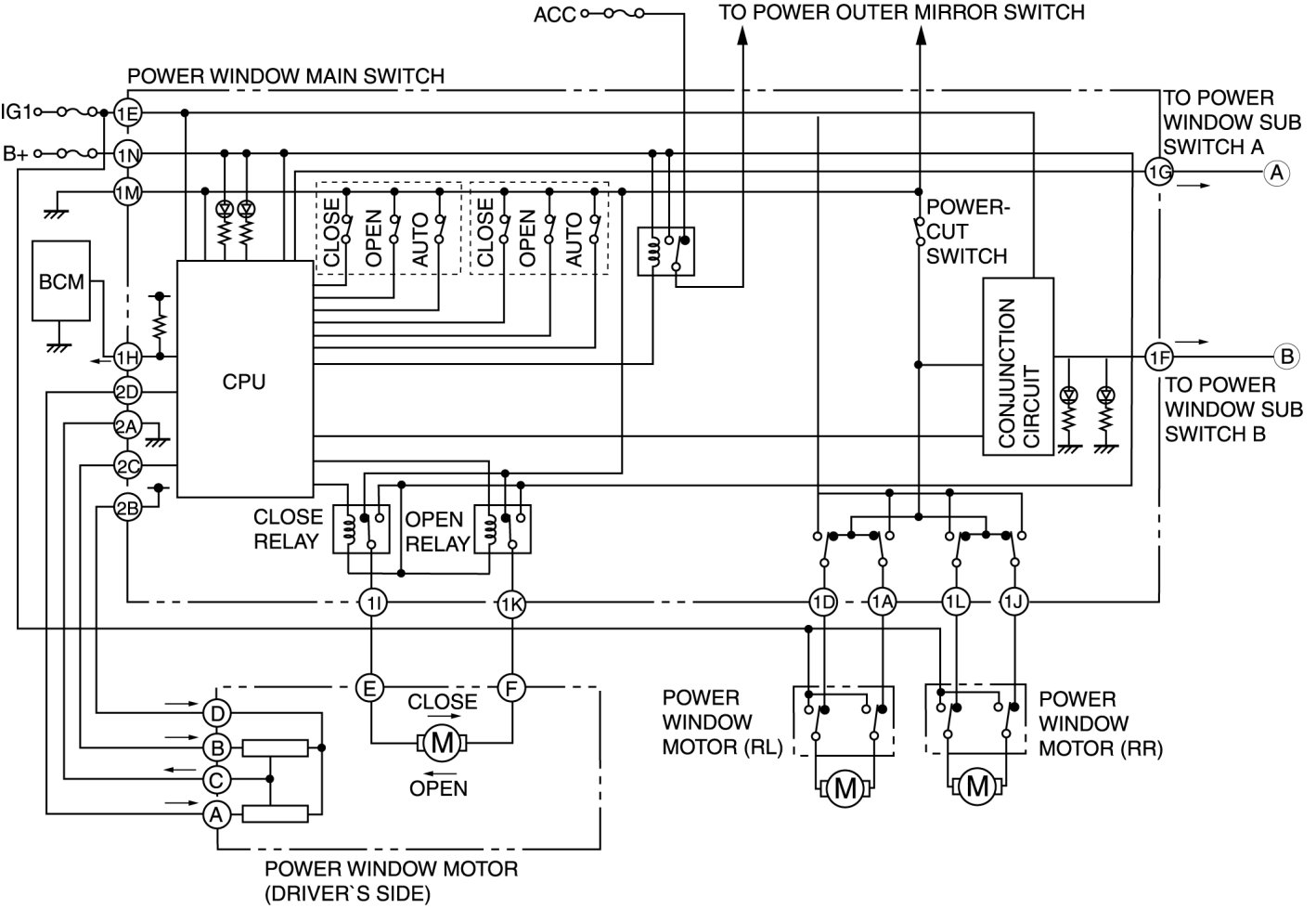
Power Window System Wiring Diagram
Power Window System Wiring Diagram
POWER WINDOW SYSTEM WIRING DIAGRAM [POWER WINDOW SYSTEMS (AUTO-OPEN/CLOSE FUNCTION)]
Power Window Main Switch
Power Window Subswitch