Curiosii for ever!: Car repair manuals for everyone.

Front Door Window Motor: Testing and Inspection




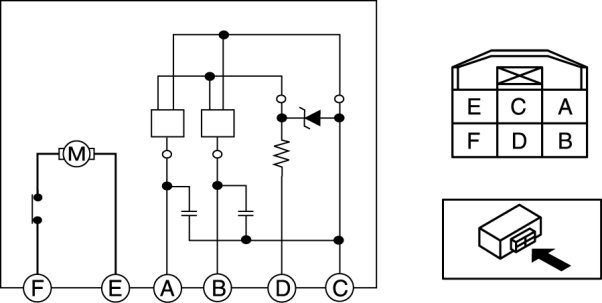
POWER WINDOW MOTOR INSPECTION

1. Disconnect the negative battery cable.

2. Remove the inner garnish. Inner Garnish Removal/Installation

3. Remove the front door trim. Front Door Trim Removal/Installation

4. Remove the rear door trim. Removal and Replacement

5. Disconnect the power window motor connector.

6. Apply battery positive voltage and connect the ground to power window motor terminals E and F, and then inspect the power window motor operation.






- If the power window motor does not operate as indicated in the table, replace it.





7. Connect the battery positive voltage to power window motor terminal D and connect terminal C to ground.

8. Operate the power window motor and measure the voltage at terminals A and B.

- If there is any malfunction, replace the power window motor.

Voltage
- Pulse: max. 5 V/min. 0 V