Curiosii for ever!
: Car repair manuals for everyone.
Home
>>
Mazda
>>
2009
>>
6 L4-2.5L
>>
Repair and Diagnosis
>>
Transmission and Drivetrain
>>
Automatic Transmission/Transaxle
>>
Testing and Inspection
>>
Scan Tool Testing and Procedures
>>
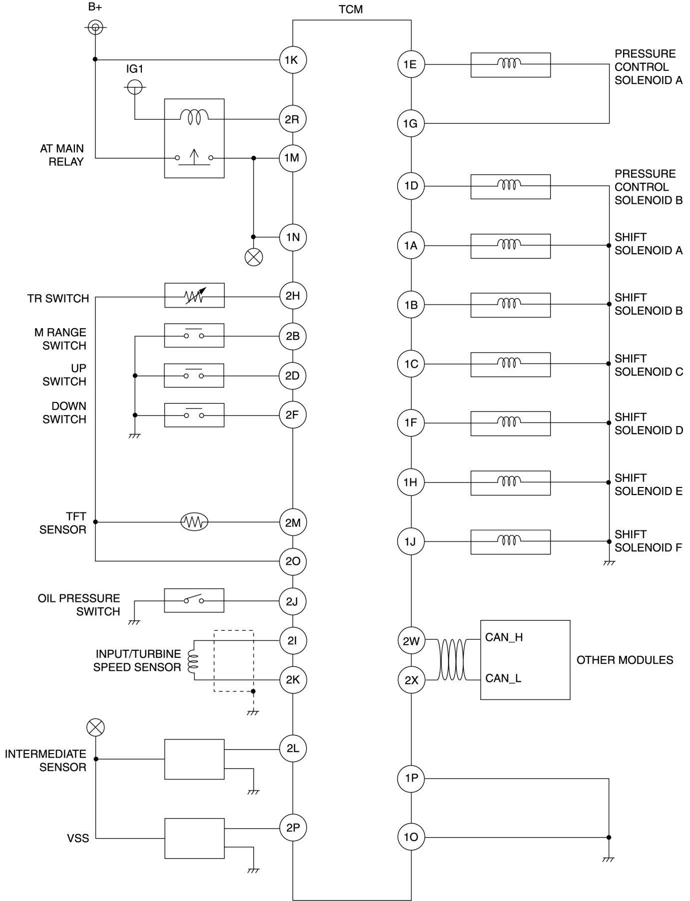
On-Board Diagnostic System Wiring Diagram [FS5A-EL]
On-Board Diagnostic System Wiring Diagram [FS5A-EL]
ON-BOARD DIAGNOSTIC SYSTEM WIRING DIAGRAM [FS5A-EL]