Curiosii for ever!
: Car repair manuals for everyone.
Home
>>
Mazda
>>
2009
>>
6 L4-2.5L
>>
Repair and Diagnosis
>>
Transmission and Drivetrain
>>
Automatic Transmission/Transaxle
>>
Description and Operation
>>
FS5A-EL Transmission/Transaxle Outline of Operation
>>
Power Flow Operation
Power Flow Operation
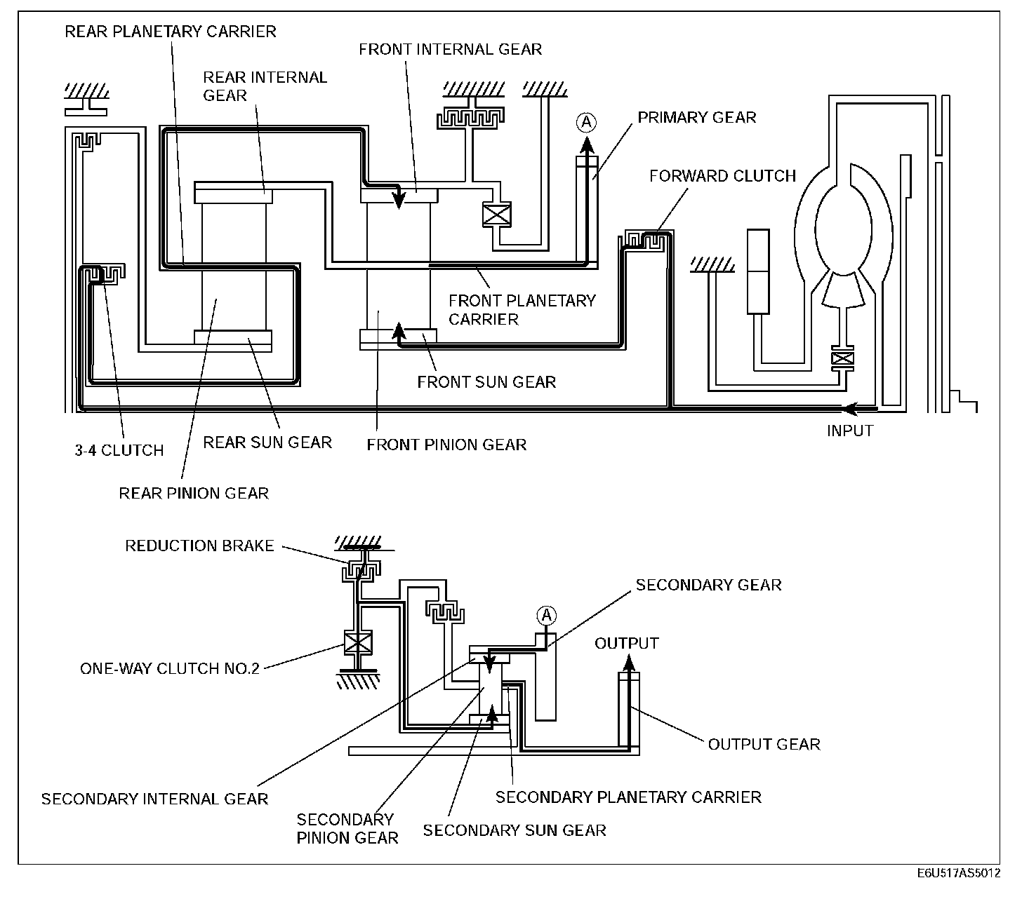
POWER FLOW OPERATION
Component description
Note:
All directions of rotation are viewed from the torque converter.
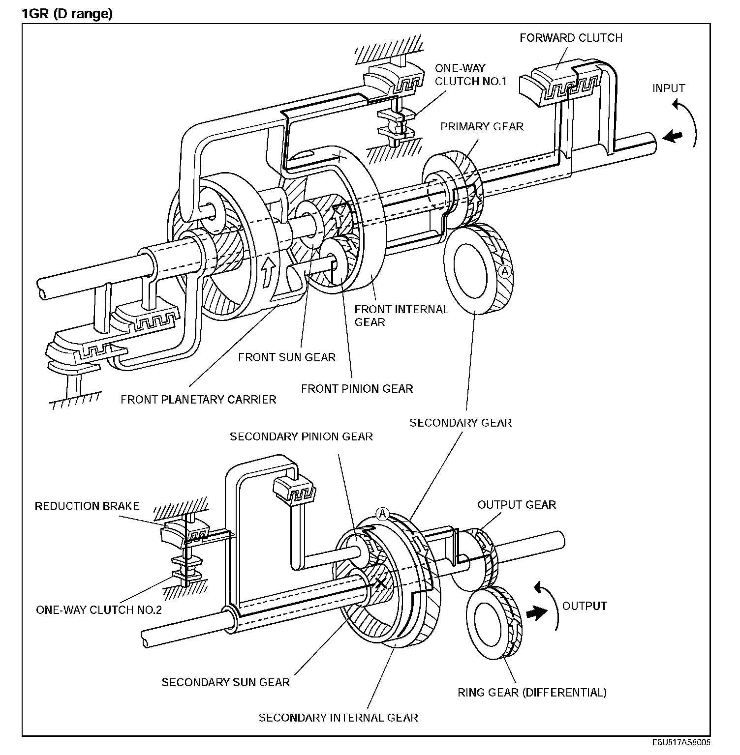
1GR (D range)
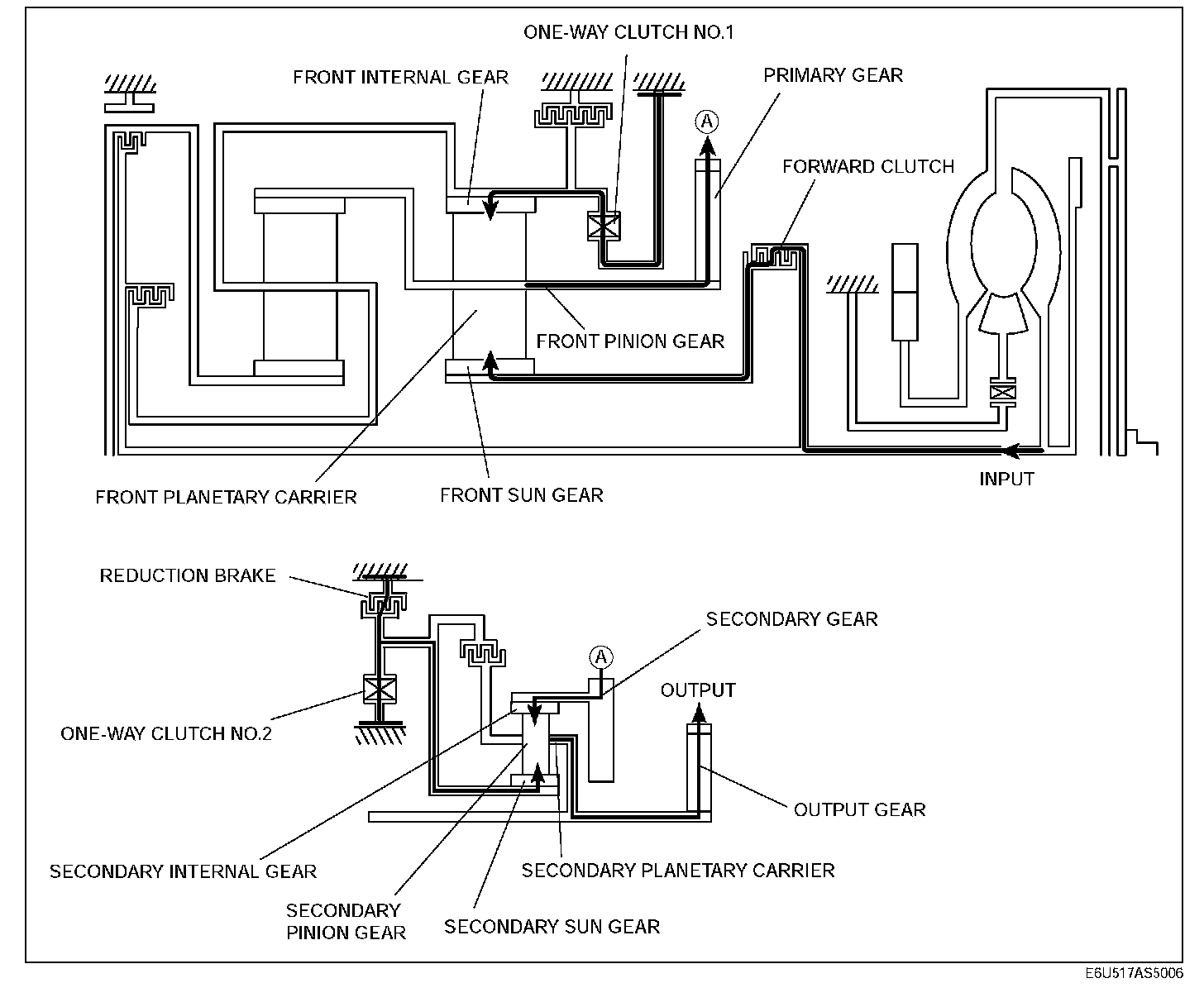
1GR (M range)
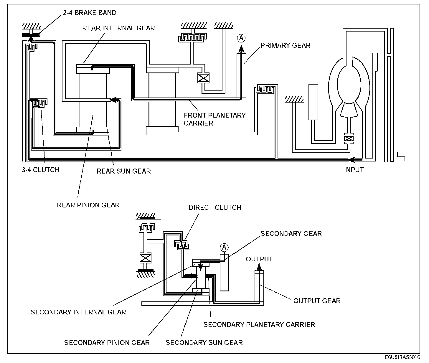
2GR
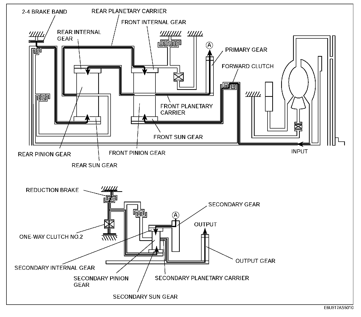
3GR
4GR
5GR
R position